- Hem »
- Reservdelar
- » Bränsle förgasare/pumpar
- » Tohatsu
- » Backventil Tohatsu
Beskrivning
Backventil bränsleledning Tohatsu MFS 4 - MFS 6 hk, 4-takt samt M 4 C - M 5 B, 2-takt, vissa modeller
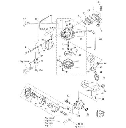
Se sprängskiss för rätt del.
Nr 17 i bild 2
Samma som Mercury art 815048
Specifikationer
Omdöme
Lämna ett omdöme
Omdöme (0)
Dela
Blogga om
Dokument
Andra produkter från samma kategori
-
Låsning gaslänk Tohatsu, vissa modeller - se parts list för rätt del Passar ...Art nr. 345-05224-045,58 SEK
-
Tätning insprutare MFS 40 A - MFS 60 A, 4-takt Nr 7b i bild Se sprängkiss f...Art nr. 3KY-10303-0378,63 SEK
-
Dräneringsskruv vissa Tohatsu Vapor/ånglås Se sprängskiss för rätt del. Pac...Art nr. 345-03292-0112,19 SEK
-
Bränsleslang Tohatsu MFS 4 C + D - MFS 6 C + D, 4-takt Nr 41 i bild Samma s...Art nr. 3GR-02204-0213,85 SEK