- Hem »
- Reservdelar
- » Motordelar
- » Mercury
- » Bricka ventilfjäder Mercury
Beskrivning
Bricka och knaster för ventilfjäder Mercury F 4 - F 30 hk, 4-takt Tohatsumodeller, flera modeller
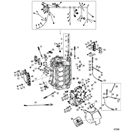
Nr 17 och 18 i bild 1, ersätter Mercury art 898103147, 898103148, 803556 och art 803555
Samma som Tohatsu bricka art 3GT-07921-0, tid. 3AE-07921-0 och knaster art 3KY-07923-0
Se sprängskiss för rätt del och antal
Specifikationer
Omdöme
Lämna ett omdöme
Omdöme (0)
Dela
Blogga om
Dokument
Andra produkter från samma kategori
-
Nedre tätningshus vevaxel Mercruy 40 - 50 hk, 697 cc 2-takt Nr 29 i bild 2 ...Art nr. 8537131337,38 SEK
-
Tätning säkringsbox Mercury V 6, V 8, V 10 och V 12, 4-takt Se sprängskiss f...Art nr. 8M014790368,76 SEK
-
Hylsa för oljesticka Mercury F 8 EFI - F 9,9 EFI, 209 cc 4-takt Samma som To...Art nr. 8M0223379278,18 SEK
-
Kolv, standarddimension, Mercury 40 - 50 hk Lightning/XR 2-takt, 697 cc, To...Art nr. 96152T02958,50 SEK