- Hem »
- Reservdelar
- » Powertrim/rigg
- » Mercury
- » Bult Mercury
Beskrivning
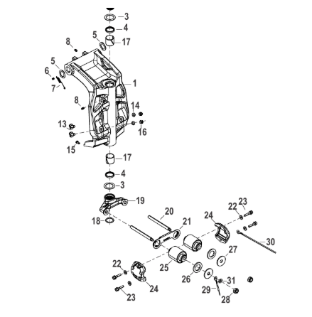
Bult, låsbygel grundvattensmyg Mercury F 10 - F 30 hk, 4-takt 351 cc, 500 cc och 526 cc Tohatsumodeller
Se sprängskiss för rätt del och antal, nr 30 i bild
Specifikationer
Omdöme
Lämna ett omdöme
Omdöme (0)
Dela
Blogga om
Dokument
Andra produkter från samma kategori
-
Nippel rigg Mercury F 25 - F 30 hk, 500 cc 4-takt Nr 26 i bild.Art nr. 8M0186818157,58 SEK
-
Packning avgasstövel Mercury 40 - 50 hk, 697 cc 2-takt Nr 21 i bild Ers ar...Art nr. 812939023157,86 SEK
-
Låsbleck kylvattenrör Mercury F 10 EFI - F 20 EFI, 4-takt 333 cc - Tohatsumod...Art nr. 8M013578341,38 SEK
-
Gummidämpare rigg Mercury V 6 och V 8, 4-takt Se sprängskiss för rätt del ...Art nr. 8M014279677,00 SEK