- Hem »
- Reservdelar
- » Powertrim/rigg
- » Mercury
- » Bult Tohatsu
Beskrivning
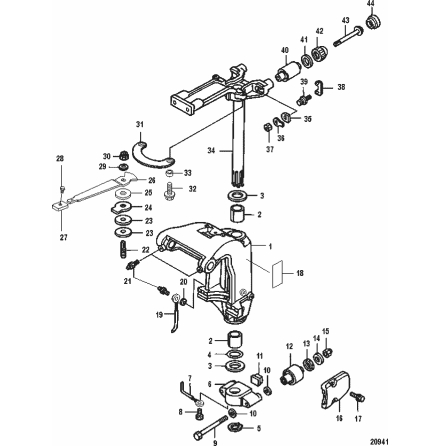
Bult, pin, tiltstopp Tohatsu MFS 25 B+C - MFS 30 B+C, 526 cc 4-takt
Nr 28 i bild
Samma som Mercury art 898101262
Se sprängskiss för rätt del
Specifikationer
Omdöme
Lämna ett omdöme
Omdöme (0)
Dela
Blogga om
Dokument
Andra produkter från samma kategori
-
Fjäder rigg flera Mercury 2-takt och 4-takt Se sprängskiss för rätt del och ...Art nr. 4796862,78 SEK
-
Gummidämpare motorbussning Mercury F 25 EFI - F 30 EFI hk, 526 cc 4-takt Toha...Art nr. 89810104316,20 SEK
-
Pinbult nedre motorbussningar Mercury V 6 och V 8, 4-takt Se sprängskiss för...Art nr. 8M0142798140,85 SEK
-
Pinbult rigg till växelhus Mercury flera modeller 2-takt, 4-takt och Optimax ...Art nr. 9035012145,90 SEK