- Hem »
- Reservdelar
- » Powertrim/rigg
- » Mercury
- » Bussning Mercury
Beskrivning
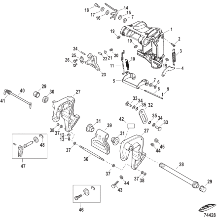
Bussning, nedre, riggrör Mercury 30 - 50 hk, 2-takt flera modeller samt F 25 - F 60 hk, 4-takt flera modeller (ej Tohatsu)
Se sprängskiss för rätt del
Nr 12 i bild 2
Specifikationer
Omdöme
Lämna ett omdöme
Omdöme (0)
Dela
Blogga om
Dokument
Andra produkter från samma kategori
-
Gummilist underkåpa Mercury F 150 hk, 3 liter, 4-takt Nr 9 i bild Se spräng...Art nr. 8M0044025835,11 SEK
-
Bricka special Mercury Sitter i rigg på F 150 hk, 3 liter, 4-takt Se spräng...Art nr. 8M008461211,13 SEK
-
Specialbult låsning bygel backspärr Mercury F 25 - F 30 hk, 500 cc, manuell t...Art nr. 8M018690041,83 SEK
-
Låspin, rörsprint, rigg Mercury F 10 - F 20 hk, 333 cc samt 351 cc, 4-takt N...Art nr. 89810310415,90 SEK