- Hem »
- Reservdelar
- » Powertrim/rigg
- » Mercury
- » Bussning Mercury
Beskrivning
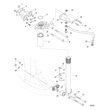
Bussning rigg/trim Mercury F 8 - F 20 hk, 4-takt trimmodeller Tohatsu
Nr 29 i bild
Samma som Tohatsu art 3Z0-77076-0
Se sprängskiss för rätt del och antal
Specifikationer
Omdöme
Lämna ett omdöme
Omdöme (0)
Dela
Blogga om
Dokument
Andra produkter från samma kategori
-
Tiltstopp Mercury 25 - 30 hk, 430 cc 2-takt samt F 25 - F 30 hk, 500 cc och 5...Art nr. 8M01571311 151,74 SEK
-
Distans byglar Mercury F 8 - F 9,8 hk, 209 cc, 4-takt manuell tiltmodeller N...Art nr. 80377100182,18 SEK
-
Gummidämpare riggrör Mercury F 40 EFI - F 60 EFI, 4-takt från motornummer 1C4...Art nr. 8M010679275,26 SEK
-
Packning/o-ring samt drivpin trimmotor Mercury flera modeller 2-takt och 4-ta...Art nr. 8M0090403428,03 SEK