- Hem »
- Reservdelar
- » Bränsle förgasare/pumpar
- » Tohatsu
- » Dräneringsskruv Tohatsu
Beskrivning
Dräneringsskruv vissa Tohatsu Vapor/ånglås
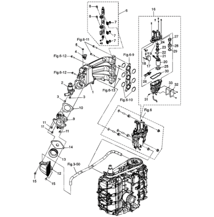
Se sprängskiss för rätt del.
Packning/o-ring art 336-03293-0 beställs separat.
Samma som Mercury art 162611
Specifikationer
Omdöme
Lämna ett omdöme
Omdöme (0)
Dela
Blogga om
Dokument
Andra produkter från samma kategori
-
Bränslepump till Tohatsu M 120 - M 140 hk, tvåtakt samt MD 115 TLDIArt nr. 3C7-04000-1744,21 SEK
-
Gummitätning högtryckspump i vapor Tohatsu MFS 40 A - MFS 60 A, 4-takt Nr 25...Art nr. 3KY-04314-0490,81 SEK
-
Hus bränslepump Tohatsu M 4 C - M 9,8 B, 2-takt Nr 19 i bild 2 Samma som Me...Art nr. 369-03304-0322,54 SEK
-
Slangklämma ¤ 12 mm, flera Tohatsumodeller Se sprängskiss för rätt del Samm...Art nr. 3C7-02215-035,06 SEK