- Hem »
- Reservdelar
- » Powertrim/rigg
- » Mercury
- » Fjäder rigg Mercury
Beskrivning
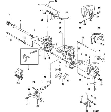
Fjäder backspärr Mercury 10 - 18 hk, 2-takt 247 cc och F 15 SeaPro 328 cc samt F 10 EFI - F 20 EFI, 4-takt 333 cc Tohatsumodeller, ej trim
Nr 17 i bild 2
Samma som Tohatsu art 350-66315-0
Specifikationer
Omdöme
Lämna ett omdöme
Omdöme (0)
Dela
Blogga om
Dokument
Andra produkter från samma kategori
-
Bygel backspärr Mercury F 10 - F 20 hk, 351 cc 4-takt Nr 35 i bild Samma so...Art nr. 89810310899,05 SEK
-
Bricka, vågbricka, rigg Mercury flera modeller 2-takt, Optimax och 4-takt Se...Art nr. 8875070,79 SEK
-
Upphängningsbygel, SB sida, Mercury F 8 - F 9,9 hk, 4-takt 209 cc Tohatsumode...Art nr. 815030T062 046,06 SEK
-
Nippel, vattenslang, Mercury flera modeller Se sprängskiss för rätt del. Er...Art nr. 291112108,64 SEK