- Hem »
- Reservdelar
- » Powertrim/rigg
- » Mercury
- » Fjäder rigg Mercury
Beskrivning
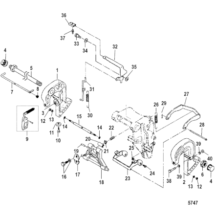
Fjäder backspärr Mercury F 10 EFI - F 20 EFI, 4-takt 333 cc Tohatsumodell, ej trimmodell
Nr 14 i bild
Samma som Tohatsu art 3RS-66312-0
Specifikationer
Omdöme
Lämna ett omdöme
Omdöme (0)
Dela
Blogga om
Dokument
Andra produkter från samma kategori
-
Fjäder backspärr Mercury 25 - 30 hk, 430 cc, 2-takt samt F 25 SeaPro, 492 cc,...Art nr. 95383492,36 SEK
-
Tätning kylvattenrör flera Mercury V 6, 2-takt och DFI Se sprängskiss för rä...Art nr. 83294000184,51 SEK
-
Bygel backspärr Mercury 25 - 30 hk, 430 cc 2-takt samt F 25 SeaPro, 492 cc, 4...Art nr. 162132360,20 SEK
-
Bricka rigg Mercury, flera modeller 2-takt Se sprängskiss för rätt del Nr 1...Art nr. 87919400222,83 SEK