- Hem »
- Motortillbehör
- » Bränsletillbehör
- » Suzuki
- » Flottör Suzuki
Beskrivning
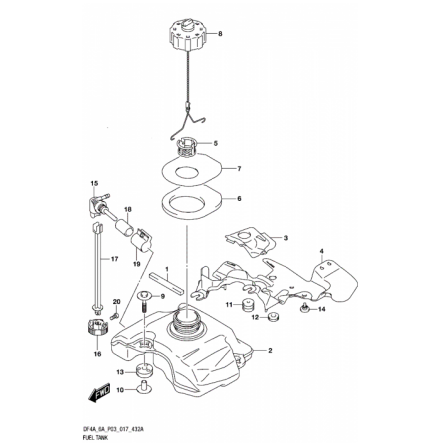
Flottör Suzuki DF 2,5 samt till DF 4 - DF 6 hk, 2012 - 2015
Se sprängskiss för rätt del
Specifikationer
Omdöme
Lämna ett omdöme
Omdöme (0)
Dela
Blogga om
Dokument
Andra produkter från samma kategori
-
Bränsleanslutning motor Suzuki DF 4 - DF 140 hk 4-takt, vissa modeller. ...Art nr. 65720-986L0432,50 SEK
-
Arm bränslekran Suzuki DF 4 A - DF 6 A, 4-takt Nr 17 i bildArt nr. 66122-97L0085,00 SEK
-
Gummiskydd Suzuki DF 4 A - DF 6 A, 4-takt flera modeller Se sprängskiss för ...Art nr. 65281-97L0175,00 SEK
-
Bränslekran Suzuki DF 2,5 hk nyare modellen, från ca 2012 - 2025 Ersätter S...Art nr. 66100-97JL1387,50 SEK