- Hem »
- Reservdelar
- » Powertrim/rigg
- » Suzuki
- » Friktionsbult rigg Suzuki
Beskrivning
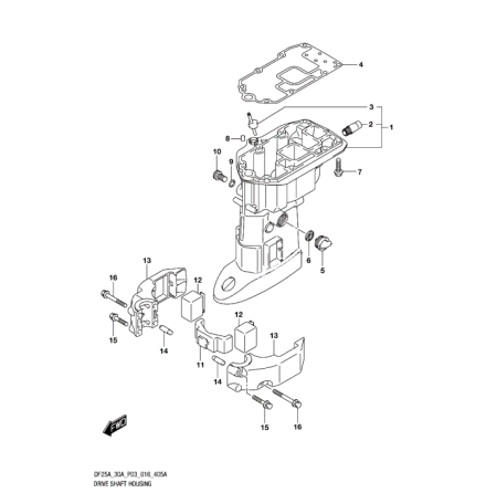
Friktionsskruv rigg Suzuki DF 4 A - DF 6 A, 4-takt samt DF 4 - DF 6 hk, ej A-modell 2012 - 2015
Se sprängskiss för rätt del
Nr 14 i bild
Ers 43410-91J20
Specifikationer
Omdöme
Lämna ett omdöme
Omdöme (0)
Dela
Blogga om
Dokument
Andra produkter från samma kategori
-
Packning adaptorplatta Suzuki DF 300 B - DF 350 A, 4-takt Dual prop, 4-takt ...Art nr. 51162-98L00251,25 SEK
-
Gummidämpare nedre riggrörsfäste Suzuki DF 90 A+T - DF 140 A+B+T, 4-takt fler...Art nr. 54151-90J00161,25 SEK
-
Gummi, motorbussning, Suzuki DF 25 A - DF 30 A, 4-takt Se sprängskiss för rä...Art nr. 54167-94L00121,25 SEK
-
Bussning riggrör Suzuki DF 25 - DF 30 hk, ej A-modeller samt DF 40 A - DF 60 ...Art nr. 43711-89J10216,25 SEK