- Hem »
- Reservdelar
- » Växling/gasdelar
- » Mercury
- » Gasarm Mercury
Beskrivning
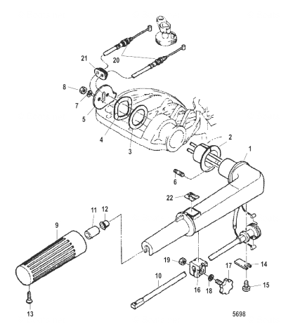
Gasarm Mercury 4 - 9,8 hk, 2-takt Tohatsumodeller samt F 4 - F 6 hk, 4-takt vissa (äldre) modeller Tohatsubyggda
Se sprängskiss för rätt del. Nr 10 i bild
Ersätter art 160933
Samma som Tohatsu art 3B2-63041-0 (Tohatsu M 6 B- M 9,8 B, 2-takt samt MFS 4 A + B - MFS 6 A + B, 4-takt)
Specifikationer
Omdöme
Lämna ett omdöme
Omdöme (0)
Dela
Blogga om
Dokument
Andra produkter från samma kategori
-
Bult för friktionsskruv rorkult Mercury F 2,5 - F 6 hk, 4-takt Tohatsumodelle...Art nr. 8M020470741,43 SEK
-
Gaslänk/arm Mercury 9,9 - 18 hk, 247 cc, 2-takt flera modeller från ca 1995 ...Art nr. 879148022170,24 SEK
-
Länk, gas, Mercury 25 - 30 hk, 430 cc 2-takt Tohatsumodell Nr 24 i bild Ers...Art nr. 85374701056,40 SEK
-
Bussning rorkult Mercury 6 - 9,8 hk, 169 cc samt 40 - 50 hk, 697 cc 2-takt oc...Art nr. 80450821,94 SEK