- Hem »
- Reservdelar
- » Växling/gasdelar
- » Mercury
- » Gaswire Mercury
Beskrivning
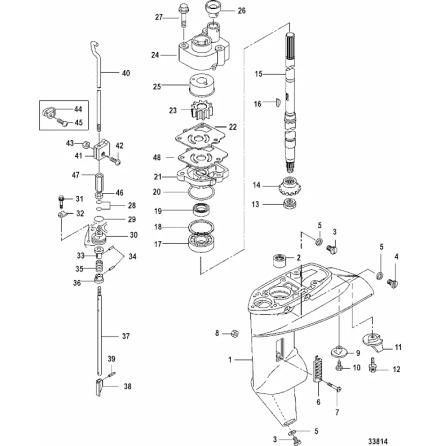
Gaswire Mercury F 25 Sea Pro 4-takt, 492 cc Tohatsumodell, förgasare
Samma som Tohatsu art 3R0- 63600-0 ( Tohatsu MFS 25 A + B - MFS 30 A + B)
2 st åtgår per motor, nr 9 i bild.
Specifikationer
Omdöme
Lämna ett omdöme
Omdöme (0)
Dela
Blogga om
Dokument
Andra produkter från samma kategori
-
Fjäder friktionsjustering rorkult Mercury 9,9 - 50 hk, 2-takt samt F 2,5 - F ...Art nr. 8M005138456,84 SEK
-
Anslutning gaslänk Mercury F 25 EFI - F 30 EFI hk, 500 cc 4-takt rorkultsmode...Art nr. 8M019181232,75 SEK
-
Nedre växelstång, kort rigg, Mercury F 10 - F 20 hk, 351 cc, 4-takt Nr 37 i...Art nr. 898103151224,73 SEK
-
Bult rorkult Mercury 25 - 30 hk, 430 cc 2-takt, Tohatsumodell Ersätter Mercu...Art nr. 8M005049855,51 SEK