- Hem »
- Motortillbehör
- » Bränsletillbehör
- » Suzuki
- » Gummi Suzuki
Beskrivning
Gummiskydd Suzuki DF 4 A - DF 6 A, 4-takt flera modeller
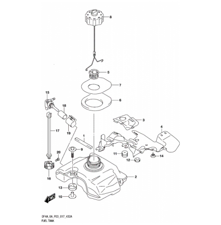
Se sprängskiss för rätt del
Nr 6 i bild
Ers art 65281-97L00
Specifikationer
Omdöme
Lämna ett omdöme
Omdöme (0)
Dela
Blogga om
Dokument
Andra produkter från samma kategori
-
Bränslekoppling Suzuki DF 4 - DF 140 hk, tank med 13 mm. 1/4 tum NPT. V...Art nr. 65740-95D01302,50 SEK
-
Tätning tanklock Suzuki DF 4 A - DF 6 A, 4-takt flera modeller Se sprängskis...Art nr. 65284-97L0060,00 SEK
-
Bränsleblåsa för 5/16 ( 8mm ) och 3/8 ( 9,5 mm ) slangArt nr. 8M0054313365,56 SEK
-
Bränsleslang Suzuki DF 40 A - 60 A , för 24 liters plasttankArt nr. 65700-90J181 007,50 SEK