- Hem »
- Reservdelar
- » Bränsle förgasare/pumpar
- » Tohatsu
- » Högtrycks bränslepump Tohatsu
Beskrivning
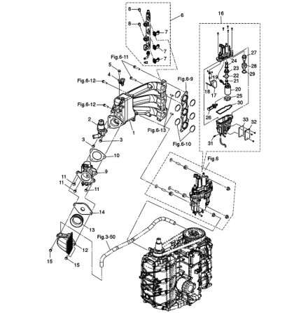
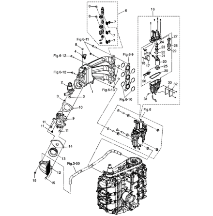
Högtrycks bränslepump, sitter i vapor, Tohatsu MFS 8 C - MFS 9,9 CY, 209 cc, MFS 9,9 E EFI - MFS 20 E EFI, 333 cc och MFS 25 D - MFS 30 D, 500 cc 4-takt
Nr 15 i bild 2
Samma som Mercury art 8M0134464
Specifikationer
Omdöme
Lämna ett omdöme
Omdöme (0)
Dela
Blogga om
Dokument
Andra produkter från samma kategori
-
Spjällhus, gas, Tohatsu MFS 9,9 EFI - MFS 20 EFI, 333 cc 4-takt Nr 1 i bild ...Art nr. 3RS-10100-02 597,89 SEK
-
Vapor separator/ångseparator Tohatsu MFS 40 A - MFS 60 A, 4-takt Nr 16 i bildArt nr. 3KY-10150-118 519,00 SEK
-
Tätning lock vapor Tohatsu MFS 40 A - MFS 60 A, 4-takt Nr 30 i bild.Art nr. 3KY-03235-0336,55 SEK
-
Stigarrör förgasare Tohatsu M 8 B, 2-takt 169 cc Nr 1:1 i bild 2 Samma som ...Art nr. 3B2-03252-0283,96 SEK