- Hem »
- Reservdelar
- » Powertrim/rigg
- » Mercury
- » Hylsa trim Mercury
Beskrivning
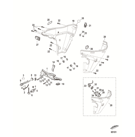
Hylsa, inre rör, trim Mercury F 25 - F 30 hk, 500 cc och 526 cc, 4-takt
Nr 8 i bild
Samma som Tohatsu art 3AC-77363-0
Specifikationer
Omdöme
Lämna ett omdöme
Omdöme (0)
Dela
Blogga om
Dokument
Andra produkter från samma kategori
-
Nedre motorupphängning Mercury F 80 - F 115 hk, 4-takt 2,1 liter Nr 26 i bil...Art nr. 8M0056573350,45 SEK
-
Mutter låsning trimknapp Mercury F 9,9 EFI - F 20 EFI, 333 cc 4-takt Nr 34 i...Art nr. 8M0137387102,50 SEK
-
O-ring styrrör Mercury V 6 och V 8, 4-takt Se sprängskiss för rätt del Nr ...Art nr. 8M01428103,75 SEK
-
Membran avgassida rigg Mercury Optimax DFI 200 - 300 hk, 3 liter samt flera...Art nr. 64877185,55 SEK