- Hem »
- Reservdelar
- » Impellertillbehör
- » Tohatsu
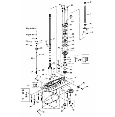
- » Impellerpackning Tohatsu
Beskrivning
Nedre impellerpackning Tohatsu M 4 C - M 5 B hk, 2-takt samt MFS 4 - MFS 6 hk, 4-takt
Samma som Mercury art 16160004
Specifikationer
Omdöme
Lämna ett omdöme
Omdöme (0)
Dela
Blogga om
Dokument
Andra produkter från samma kategori
-
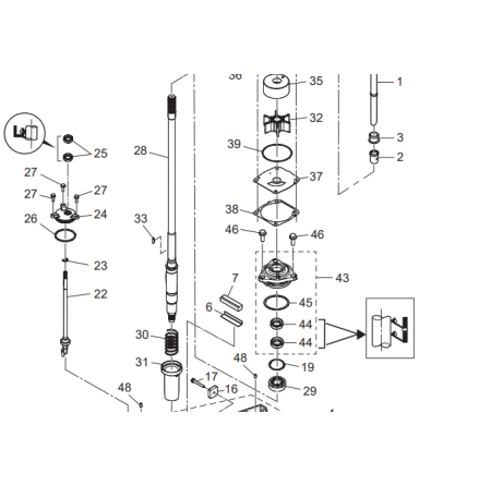
Packning impellerhus Tohatsu MFS 75 A - MFS 140 A, 4-takt Nr 38 i bild.Art nr. 3SS-65029-098,16 SEK
-
Nedre impellerhus Tohatsu MFS 8 B+C - MFS 9,8 B - MFS 9,9 C, 4-takt Se sprän...Art nr. 3UA-65017-0455,75 SEK
-
Låsbleck vattenrör Tohatsu MFS 40 A - MFS 60 A, 4-takt Nr 3 i bild.Art nr. 3KY-65203-0129,71 SEK
-
Packbox nedre impellerhus Tohatsu M 60 C - M 90 A - M 140 A, 2-takt samt MD 7...Art nr. 3C7-60223-1192,81 SEK