- Hem »
- Reservdelar
- » Bränsle förgasare/pumpar
- » Mercury
- » Justerskruv Mercury
Beskrivning
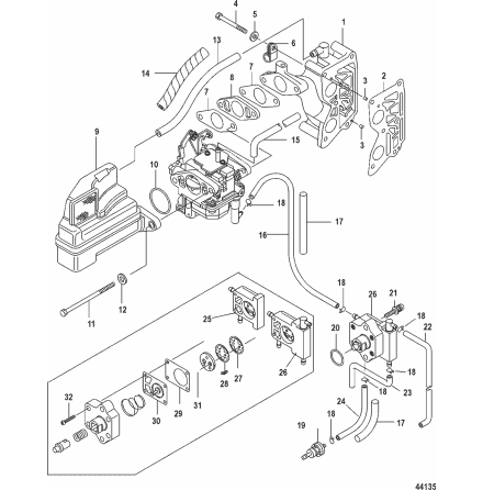
Justerskruv gashus Mercury F 30 EFI - F 60 EFI, 4-takt flera modeller (ej Tohatsu)
Se sprängskiss för rätt del
Nr 12 i bild
Specifikationer
Omdöme
Lämna ett omdöme
Omdöme (0)
Dela
Blogga om
Dokument
Andra produkter från samma kategori
-
Insulator insug Mercury F 25 - F 30 hk, 526 cc, 4-takt Nr 10 i bild 2 Samma...Art nr. 898103T27313,38 SEK
-
Dräneringsskruv förgasare Mercury 25 - 30 hk, 2-takt 430 cc Tohatsumodell Tä...Art nr. 16261149,19 SEK
-
Skruv bränslepump Mercury F 8 - F 9,9 hk, 209 cc, 4-takt förgasare och EFI-mo...Art nr. 89510725,63 SEK
-
Elanslutning vapor Mercury F 30 EFI - F 60 EFI, 4-takt (ej Tohatsumod.) Se s...Art nr. 8922675351 207,41 SEK