- Hem »
- Motortillbehör
- » Övriga tillbehör
- » Tohatsu
- » Kåplås Tohatsu
Beskrivning
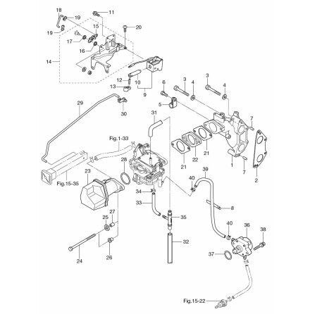
Kåplås Tohatsu MFS 2,5 B + C - MFS 3,5 B + C, 4-takt
Nr 2 i bild
Ers 3GT-67120-0
Specifikationer
Omdöme
Lämna ett omdöme
Omdöme (0)
Dela
Blogga om
Dokument
Andra produkter från samma kategori
-
Bricka, nylondistans, Tohatsu flera modeller Se sprängskiss för rätt del Nr...Art nr. 3BJ-05245-038,56 SEK
-
Tätlist motorkåpa Tohatsu MFS 9,9 E - MFS 20 E, 333 cc 4-taktArt nr. 3RS-67501-0925,00 SEK
-
Mutter Tohatsu - sitter i flera motorer Se sprängskiss för rätt del Samma s...Art nr. 930403-060052,59 SEK
-
List, tätning, motorkåpa Tohatsu MFS 4 C + D - MFS 6 C + D, 4-takt Samma som...Art nr. 3GR-67501-0260,48 SEK