- Hem »
- Reservdelar
- » Motordelar
- » Mercury
- » Kolvringsats Mercury
Beskrivning
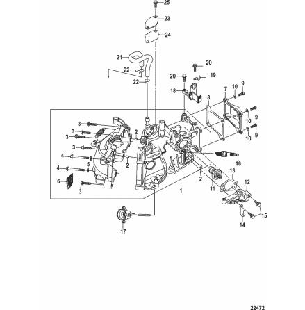
Kolvringsats standarddimension Mercury F 2,5 - F 3,5 hk, 85,5 cc samt F 8 - F 9,9 hk, 209 cc 4-takt, Tohatsumodell
En sats per kolv åtgår, nr 10 i bild
Ers. Mercury art 898103A47 och 8M0080346
Samma som Tohatsu art 3FK-87123-0
Specifikationer
Omdöme
Lämna ett omdöme
Omdöme (0)
Dela
Blogga om
Dokument
Andra produkter från samma kategori
-
O-ring Mercury V 10, 4-takt Se sprängskiss för rätt del Nr 16 i bild 2Art nr. 8M020601855,19 SEK
-
Bult för svänghjul Mercury V 6, V 8, V 10 och V 12, 4-takt Se sprängskiss fö...Art nr. 8M014238411,11 SEK
-
Svänghjulskil Mercury 4 - 5 hk 102 cc , 2-takt, 6 - 9,8 hk 169 cc , 2-takt, F...Art nr. 1605327,24 SEK
-
Ventilkåpa Mercury F 2,5 - F 3,5 hk, 85,5 cc 4-takt Nr 7 i bild Samma som T...Art nr. 898103T43906,70 SEK