- Hem »
- Reservdelar
- » Växelhusdelar
- » Suzuki
- » Kylvattenintag Suzuki
Beskrivning
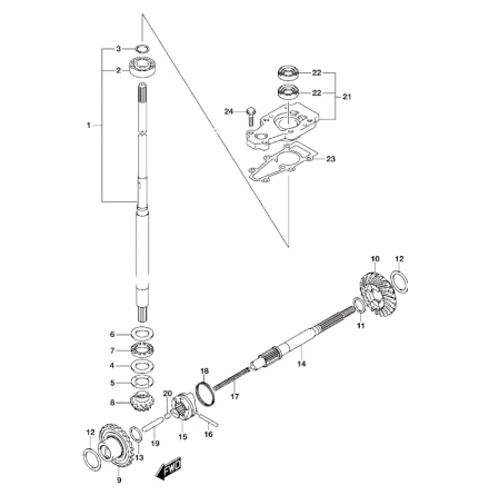
Kylvattenintag, styrbord, Suzuki DF 70 A - DF 90 A - DF 100 B, 4-takt
Ers art 17632-87L00
Specifikationer
Omdöme
Lämna ett omdöme
Omdöme (0)
Dela
Blogga om
Dokument
Andra produkter från samma kategori
-
Lager propelleraxel Suzuki DF 40 A - DF 60 A, 4-takt Se sprängskiss för rätt...Art nr. 09263-22020323,75 SEK
-
Lager Suzuki Sitter i drivaxel DF 8 A - DF 9,9 A, 208 cc samt DF 9,9 B - DF ...Art nr. 08110-60020281,25 SEK
-
Drivaxel Suzuki DF 8 A - DF 9,9 A, 4-takt flera modeller - kort rigg, 15 tum ...Art nr. 57100-99JN02 591,25 SEK
-
Fjäder växelförare Suzuki DF 70 A - DF 100 B hk, 4-takt flera modeller (ej D...Art nr. 09440-0904345,00 SEK