- Hem »
- Reservdelar
- » Powertrim/rigg
- » Mercury
- » Länk tilt Mercury
Beskrivning
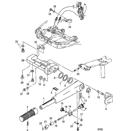
Låslänk tilt Mercury F 8 - F 9,9 hk, 4-takt 209 cc Tohatsumodell
Nr 17 i bild
Samma som Tohatsu art 3AA-62454-0
Specifikationer
Omdöme
Lämna ett omdöme
Omdöme (0)
Dela
Blogga om
Dokument
Andra produkter från samma kategori
-
Bult Mercury 40 - 50 hk, 697 cc 2-takt Nr 30 i bild Ers art 810755003 och 8...Art nr. 8555441015,46 SEK
-
Låspin powertrim Mercury flera modeller Se sprängskiss för rätt del. Ers a...Art nr. 82153939,29 SEK
-
Bussning styrrör Mercury F 150 hk, 3 liters, 4-takt Nr 34 i bild 1 Se sprän...Art nr. 8M005909124,28 SEK
-
Gummi rigg Mercury 25 - 30 hk, 430 cc, 2-takt Nr 36 i bild Samma som Tohats...Art nr. 85377359,64 SEK