- Hem »
- Reservdelar
- » Motordelar
- » Mercury
- » Låsning Mercury
Beskrivning
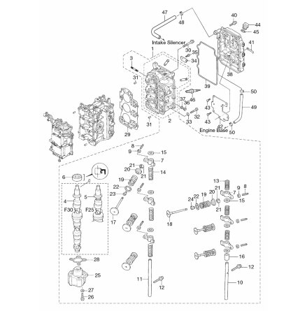
Låsning reglagekabel Mercury F 80 - F 115 hk, 2,1 liter 4-takt
Nr 19 i bild
Specifikationer
Omdöme
Lämna ett omdöme
Omdöme (0)
Dela
Blogga om
Dokument
Andra produkter från samma kategori
-
O-ring kylsystem Mercury F V 6, V 8 och V 10, 4-takt, design 1 Se sprängski...Art nr. 8661417,19 SEK
-
Låsclip kolvbult Mercury 2,5 - 3,3 hk, 74,5 cc , 2-takt Tohatsumodell Samm...Art nr. 9523668,25 SEK
-
Packbox, nedre, vevaxel Mercury F 25 - F 30 hk, 492 cc och 526 cc Tohatsumode...Art nr. 898101123162,58 SEK
-
Slangklämma Mercury - sitter i bl. a F 25 - F 30 hk, 526 cc, 4-takt enl. bild...Art nr. 80352500315,61 SEK