- Hem »
- Reservdelar
- » Powertrim/rigg
- » Mercury
- » Manuell releaseventil trim Mercury
Beskrivning
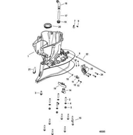
Manuell releaseventil Mercury V 6 och V 8, 4-takt flera modeller med trim design 2 och 3
Se sprängskiss för rätt del
Nr 3 i bild
Ers art 8M0168228
Specifikationer
Omdöme
Lämna ett omdöme
Omdöme (0)
Dela
Blogga om
Dokument
Andra produkter från samma kategori
-
O-ring avgasstövel Mercury F 80 - F 115 hk, 2,1 liters 4-takt Nr 5 i bildArt nr. 8M00535126,65 SEK
-
Nippel rigg Mercury F 150 hk, 3 -iters 4-takt Nr 11 i bild Ers art 8M0055152Art nr. 8M0062365170,03 SEK
-
Motorbussning Mercury 6 - 9,8 hk, 2-takt 169 cc Tohatsumodeller Nr 25 i bild...Art nr. 803778148,89 SEK
-
Tätning kylvattenrör Mercury 75 - 125 hk, 2-takt, 75 - 115 hk DFI/Optimax, F ...Art nr. 81408000185,23 SEK