- Hem »
- Reservdelar
- » Bränsle förgasare/pumpar
- » Suzuki
- » Munstycke Suzuki
Beskrivning
Munstycke, Jet pilot # 38, Suzuki DF 6 hk, 4-takt flera modeller (ej A-mod)
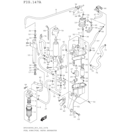
Se sprängskiss för rätt del.
Nr 12 i bild 2
Specifikationer
Omdöme
Lämna ett omdöme
Omdöme (0)
Dela
Blogga om
Dokument
Andra produkter från samma kategori
-
Packning filter i bränslekran Suzuki DF 4 - DF 6 hk, 4-takt äldre (ej A-mod) ...Art nr. 66273-9830142,50 SEK
-
Flottörhus Suzuki DF 8 A, 4-takt manuell start Nr 14 i bildArt nr. 13240-99J001 665,00 SEK
-
Tätning flottörhus förgasare Suzuki DF 2,5 - DF 6 hk, vissa modeller Se sprä...Art nr. 13251-97J0053,75 SEK
-
Bränsleanslutning Suzuki DF 200 - DF 350 A, 4-takt flera modeller Se sprängs...Art nr. 15695-98L00172,50 SEK