- Hem »
- Reservdelar
- » Motordelar
- » Mercury
- » Nippel Mercury
Beskrivning
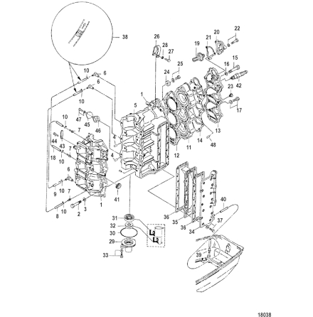
Nippel, check valve, oljeledning Mercury Optimax flera modeller
Se sprängskiss för rätt del och antal
Ers. Mercury art 8592351 och 859235
Specifikationer
Omdöme
Lämna ett omdöme
Omdöme (0)
Dela
Blogga om
Dokument
Andra produkter från samma kategori
-
Distans svänghjulsskydd F 2,5 - F 3,5 hk, 85,5 cc, 4-takt Nr 3 i bild Samma...Art nr. 89810130536,53 SEK
-
Remhjul för spännare Mercury rem 880566Q14 Se sprängskiss för rätt del.Art nr. 8M6003035811,99 SEK
-
Bricka Mercury 25 - 30 hk, 430 cc samt 40 - 50 hk 697 cc, 2-takt Se sprängsk...Art nr. 8M010672543,89 SEK
-
Ventilstyrning Mercury V 6 - V 8 - V 10 - V 12, 4-takt Se sprängskiss för rä...Art nr. 8M014235820,80 SEK