- Hem »
- Reservdelar
- » Powertrim/rigg
- » Suzuki
- » Nippel Suzuki
Beskrivning
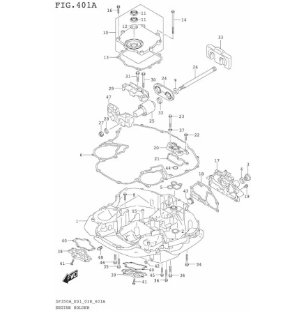
Nippel kylvatten Suzuki DF 25 A - DF 30 A, 4-takt
Nr 3 i bild.
Specifikationer
Omdöme
Lämna ett omdöme
Omdöme (0)
Dela
Blogga om
Dokument
Andra produkter från samma kategori
-
Joint, hållare, trimmotor Suzuki DT 50 - DT 140 hk, 2-takt samt DF 9,9 B - DF...Art nr. 48583-95E00188,75 SEK
-
Hållare plugg för kylvatten Suzuki DF plugg art 61150-99E01, Suzuki DF 25 - D...Art nr. 61155-99E01111,25 SEK
-
Trimgivare DF 40 A - DF 350 A, 4-takt vissa modeller Se sprängskiss för rätt...Art nr. 34840-98J111 882,50 SEK
-
Packning rigg Suzuki DF 300 B - DF 350 A, 4-takt Dual prop, 4-takt Nr 13 i b...Art nr. 51123-98L00142,50 SEK