- Hem »
- Reservdelar
- » Powertrim/rigg
- » Mercury
- » Riggbygel Mercury
Beskrivning
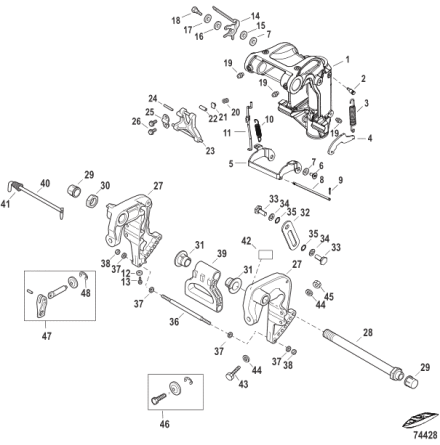
Riggbygel, babord, Mercury F 10 EFI - F 20 EFI, 333 cc, 4-takt manuell tilt
Se sprängskiss för rätt del
Samma som Tohatsu art 3RSQ62113-0 (Aquablue)
Specifikationer
Omdöme
Lämna ett omdöme
Omdöme (0)
Dela
Blogga om
Dokument
Andra produkter från samma kategori
-
Packbox trimmotor Mercury F 8 - F 9,9 hk, 209 cc samt F 10 - F 20 hk, 4-takt ...Art nr. 822891001408,65 SEK
-
Lock rigg Mercury F 25 Sea Pro 492 cc samt F 25 - F 30 hk, 526 cc 4-takt Nr ...Art nr. 85357700185,11 SEK
-
Låsbleck backspärr Mercury F 25 - F 30 hk, 500 cc, manuell tilt, 4-takt Nr 4...Art nr. 8M0186983145,05 SEK
-
Bult Mercury 9,9 - 18 hk, 2-takt 247 cc Tohatsumodell Låser övre motorbussni...Art nr. 803777110,30 SEK