- Hem »
- Reservdelar
- » Powertrim/rigg
- » Mercury
- » Styrstift Mercury
Beskrivning
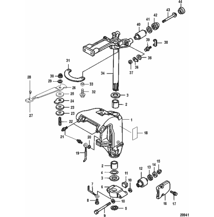
Styrstift rigg/växelhus Mercury flera modeller 2-takt och 4-takt
Se sprängskiss för rätt del och antal
Ers 43043
Specifikationer
Omdöme
Lämna ett omdöme
Omdöme (0)
Dela
Blogga om
Dokument
Andra produkter från samma kategori
-
Bricka rigg Mercury F 80 - F 115 hk, 2,1 liter, 4-takt Nr 2 i bild Se sprän...Art nr. 8M005683938,43 SEK
-
Gummidämpare motorbussning Mercury F 25 EFI - F 30 EFI hk, 526 cc 4-takt Toha...Art nr. 85377300317,38 SEK
-
Riggrör Mercury 8 - 9,8 hk, 169 cc 2-takt Nr 14 i bild 2 Samma som Tohatsu ...Art nr. 8M01921621 131,41 SEK
-
Riggpackning, under adaptorplatta, Mercury 40 - 50 hk, 2-takt 697 cc Tohatsu...Art nr. 812939022138,73 SEK