- Hem »
- Reservdelar
- » Powertrim/rigg
- » Mercury
- » Tätning Mercury
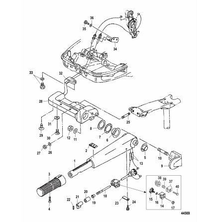
Beskrivning
Tätning FSM flera modeller Mercury 4-takt
Se sprängskiss för rätt del.
Nr 11 i bild
Specifikationer
Omdöme
Lämna ett omdöme
Omdöme (0)
Dela
Blogga om
Dokument
Andra produkter från samma kategori
-
Plunger, adaptorplatta, Mercury F 8 - F 9,9 hk 209 cc förgasarmotor, F 15 Sea...Art nr. 898101142347,25 SEK
-
Trimpinne, pivot pin, Mercury V 6 och V 8, 4-takt (trimdesign 2 och 3) Nr 4 ...Art nr. 8M02253701 387,08 SEK
-
Pinbult Mercury 40 - 50 hk, 697 cc, 2-takt nr 0N056165 och nyare Sitter i ro...Art nr. 8M0074787121,05 SEK
-
Styrrörskit Mercury flera modeller 2-takt och 4-takt Se sprängskiss för rätt...Art nr. 826125A13 884,55 SEK