- Hem »
- Reservdelar
- » Motordelar
- » Mercury
- » Tätning Mercury
Beskrivning
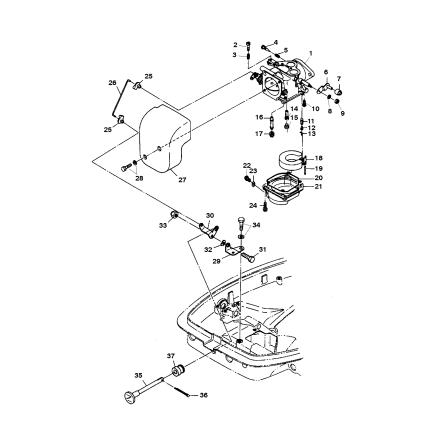
Hållare/tätning MAP-sensor Mercury Verado L 4 och L 6, flera modeller
Se sprängskiss för rätt del.
Specifikationer
Omdöme
Lämna ett omdöme
Omdöme (0)
Dela
Blogga om
Dokument
Andra produkter från samma kategori
-
Plugg avgas vissa Mercury V 8, V 10, V 12, 4-takt Se sprängskiss för rätt d...Art nr. 8M017745828,31 SEK
-
O-ringsats luftkompressor Mercury Optimax V 6, 2,5 och 3 liter, flera modelle...Art nr. 832804A03354,35 SEK
-
Vevstake Mercury F 80 - F 115 hk, 2,1 liter 4-takt Se sprängskiss för rätt d...Art nr. 8M01070111 616,19 SEK
-
Bult Mercury, sitter i fler motorer Se sprängskiss för rätt del och antal N...Art nr. 1622317,23 SEK