- Hem »
- Reservdelar
- » Motordelar
- » Mercury
- » Tätning Mercury
Beskrivning
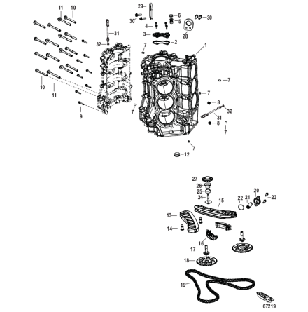
Tätning lock Mercury Verado L 4 och L 6
Se sprängskiss för rätt del.
Nr 27 i bild 2
Specifikationer
Omdöme
Lämna ett omdöme
Omdöme (0)
Dela
Blogga om
Dokument
Andra produkter från samma kategori
-
Bult special Mercury V 6, 4-takt flera modeller Se sprängskiss för rätt del ...Art nr. 8M014239815,75 SEK
-
Mutter remhjul Mercury F 25 - F 30 hk, 526 cc Nr 19 i bild 2 Samma som Toh...Art nr. 85567900274,08 SEK
-
Ventilfjäder Mercury V6, V 8, 4-takt flera modeller Nr 14 i bild, som visar ...Art nr. 8M014236040,30 SEK
-
O-ring oljepump Mercury F 80 - F 115 hk, 2,1 liter , V 6 och V 8 flera modell...Art nr. 8M600157750,39 SEK