- Hem »
- Reservdelar
- » Powertrim/rigg
- » Suzuki
- » Trimmotor Suzuki
Beskrivning
Elmotor trim Suzuki DF 70 A - DF 90 A samt DF 100 B vissa modeller 2010 t.o.m 2016
Ers. art 38100-87L00-38100-87L03
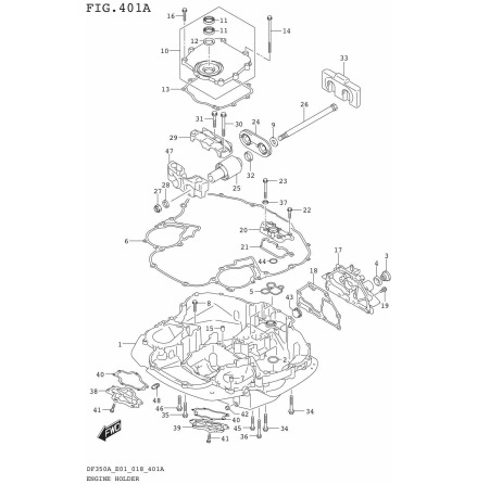
Se sprängskiss för rätt del.
Specifikationer
Omdöme
Lämna ett omdöme
Omdöme (0)
Dela
Blogga om
Dokument
Andra produkter från samma kategori
-
Packning rigg Suuzki DF 300 B - DF 350 A, 4-takt Dual prop, 4-takt Nr 18 i b...Art nr. 51142-98L00138,75 SEK
-
Oljebehållare powetrimolja Suzuki DF 60 - DF 70 hk, t.o.m 2009 samt DF 100 A ...Art nr. 48570-95E012 561,25 SEK
-
Hydraulpump powertrim Suzuki DF 100 A - DF 300 A, 4-takt flera modeller Den ...Art nr. 48502-96J055 220,00 SEK
-
Trimgivararm, korta modellen Suzuki DF 40 A - DF 90 A - DF 100 B, 4-takt. Vi...Art nr. 34841-87L1060,00 SEK