- Hem »
- Reservdelar
- » Powertrim/rigg
- » Suzuki
- » Trimpin Suzuki
Beskrivning
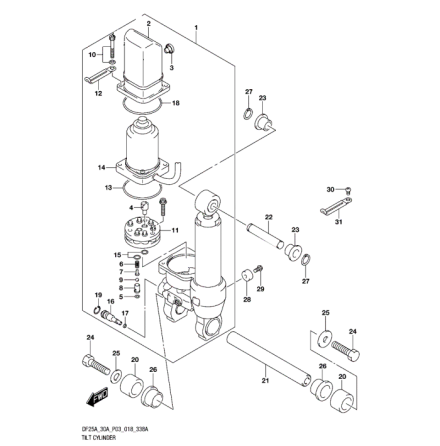
Övre låspinne trim Suzuki DF 100 A - DF 300 A, 4-takt flera modeller
Se sprängskiss för rätt del
Nr 26 i bild 2
Specifikationer
Omdöme
Lämna ett omdöme
Omdöme (0)
Dela
Blogga om
Dokument
Andra produkter från samma kategori
-
O-ring powertrimmotor Suzuki DF 25 A - DF 30 A, 4-takt Nr 4 i bildArt nr. 31123-89J00213,75 SEK
-
Fjäder manuell tilt Suzuki DF 25 A - DF 30 A hk, 4-takt Nr 31 i bildArt nr. 09440-1305711,25 SEK
-
Bussning pin powertrim Suzuki DF 25 A - DF 30 A hk, 4-takt flera modeller Nr...Art nr. 48325-94L0070,00 SEK
-
Packning adaptorplatta Suzuki DF 300 B - DF 350 A, 4-takt Dual prop, 4-takt ...Art nr. 51162-98L00251,25 SEK