- Hem »
- Reservdelar
- » Powertrim/rigg
- » Mercury
- » Upphängningsbygel Mercury
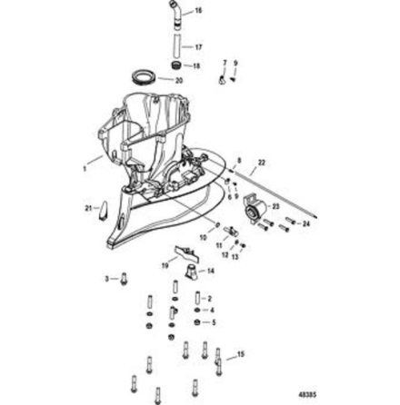
Beskrivning
Upphängningsbygel Mercury 8 - 9,8 hk, 169 cc 2-takt från nr 0N096910 Tohatsumodeller
Nr 1 i bild
Med 1/2 tums gänga
Ersätter nr 8M0048131
Specifikationer
Omdöme
Lämna ett omdöme
Omdöme (0)
Dela
Blogga om
Dokument
Andra produkter från samma kategori
-
Bussning växelstång Mercury F 150 hk, 3 liters 4-takt Nr 14 i bild Ers. art...Art nr. 8M014383697,51 SEK
-
Tätning avgassida Mercury F 150 hk, 3 liters 4-takt Nr 10 i bild 2Art nr. 8M0043453213,68 SEK
-
Behållare trimolja Mercury flera modeller Se sprängskiss för rätt del Nr 23...Art nr. 878264A1809,83 SEK
-
Bult rigg Mercury 25 - 30 hk, 430 cc 2-takt vissa äldre samt F 25 SeaPro 498 ...Art nr. 16261289,54 SEK