• O-ring Mercury 40 - 50 hk, 2-takt 697 cc Tohatsumodell Sitter i övre vevaxellager Ers art 855554 Samma som Tohatsu art 3C8-00108-0
    Art nr. 855554004
    32,84 SEK
  • O-ring/tätning för inre motoranod 3P0-60218-0 för Tohatsu MFS 8 EFI - MFS 140 EFI, 4-takt flera modeller Sitter även i vissa nyare M 18 E2 hk, 2-takt - se spräng...
    Art nr. 3T5-10046-0
    24,54 SEK
  • Bult för anod växelhus, art 3KZ-60217-0,  Tohatsu MFS 40 A - MFS 60 A, 4-takt
    Art nr. 910103-5820
    49,08 SEK
  • Bult för anod art 3SS-60217-0  Tohatsu MFS 75 A - MFS 140 A. M 10 x 45 - 1,25 mm, nr 11 i bild. Bricka art 940103-1000 köps separat
    Art nr. 911103-1045
    154,25 SEK
  • Likriktarsats Tohatsu MFS 9,9 B - MFS 18 B, 4-takt 328 cc  
    Art nr. 3R3-76160-0
    1 165,94 SEK
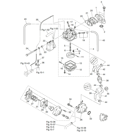
  • Plunger control, Mercury F 4 - F 6 hk, 4-takt 123 cc Tohatsumodell Nr 16 i bild Samma som Tohatsu art 3H6-07621-0 O-ring art 168231 beställs separat
    Art nr. 803535
    34,31 SEK
  • Säte/seat för plunger Mercury F 4 - F 6 hk, 4-takt 123 cc Tohatsumodell Nr 18 i bild Samma som Tohatsu art 3H6-07623-0 O-ring art 168231 beställs separat
    Art nr. 803536
    45,06 SEK
  • Fjäder för plunger Mercury F 4 - F 6 hk, 4-takt 123 cc Tohatsumodell Nr 17 i bild Samma som Tohatsu art 3H6-07622-0
    Art nr. 8035541
    33,73 SEK
  • O-ring Mercury, passar flera modeller F 2,5 - F 6 hk, 4-takt Tohatsumodeller Se sprängskiss för rätt del. Samma som Tohatsu art 345-66021-0
    Art nr. 168231
    12,81 SEK
  • Packning avgas Mercury F 4 - F 6 hk, 123 cc Tohatsumodell Nr 16 i bild 2 Ers art 8035088 Samma som Tohatsu art 3H6-02305-0
    Art nr. 803508015
    69,80 SEK
  • Gummitätning Mercury F 4 - F 6 hk, 4-takt 123 cc Tohatsumodell Nr 4 i bild, 2 st åtgår per motor Samma som Tohatsu art 3H6-07416-0
    Art nr. 8035202
    58,03 SEK
  • Chokewire Mercury F 4 - F 6 hk, 4-takt 123 cc, nr 0R411838 och nyare Tohatsumotorer Nr 35 i bild, se sprängskiss för rätt del Samma somTohatsu art 3GR-67197-0  ...
    Art nr. 8M0056329
    77,16 SEK
  • Chokewire Mercury F 4 - F 6 hk, 4-takt 123 cc, äldre Tohatsumotorer Nr 16 i bild, se sprängskiss för rätt del Samma somTohatsu art 3H6-67192-0 (Tohatsu MFS 4 A ...
    Art nr. 8276225
    57,88 SEK
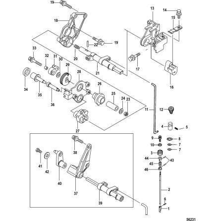
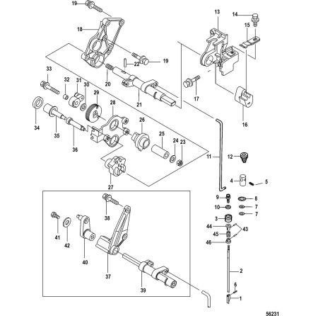
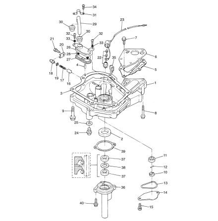
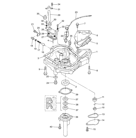
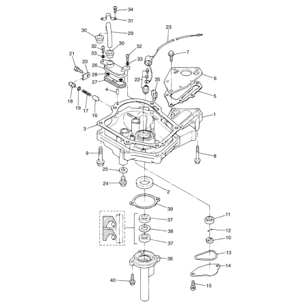
  • Bussning växelstång Mercury 9,9 - 18 hk, 2-takt 247 cc samt F 8 - F 30 hk, 4-takt Tohatsumodeller Se sprängskiss för rätt del. Sammma som Tohatsu art 398-66031-...
    Art nr. 803761
    146,38 SEK
  • O-ring Mercury - sitter i flera modeller Tohatsu Se sprängskiss för rätt del och antal Nr 5 i bild 2, ett exempel på placering  Samma som Tohatsu art 332-66021-0
    Art nr. 161772
    18,11 SEK
  • O-ring Mercury - sitter i flera modeller Japan/Tohatsumodeller Se sprängskiss för rätt del Samma som Tohatsu art 3C8-66032-0
    Art nr. 161782
    25,04 SEK
  • Bussning växeltång Mercury 25 - 30 hk, 430 cc samt 40 - 50 hk, 697 cc, 2-takt Tohatsumodeller Nr 4 i bild 2 Samma som Tohatsu art 3C8-66031-1 O-ringar, art 161...
    Art nr. 161762
    231,79 SEK
  • O-ring Tohatsu, flera modeller 2-takt och 4-takt Se sprängskiss för rätt del.
    Art nr. 3C8-66032-0
    64,00 SEK
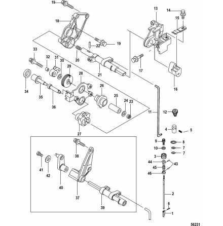
  • Låspin Mercury F 8 - F 30 EFI hk, 4-takt (ej 10 - 20  EFI) Tohatsumodeller Se sprängskiss för rätt del, sitter bl.a i växelarm Nr 22 i bild Ersätter Mercury ar...
    Art nr. 16085003
    22,09 SEK
  • Fjäder Mercury F 8 - F 30 EFI hk, 4-takt (ej 10 - 20 EFI) Tohatsumodeller Se sprängskiss för rätt del, sitter bl.a i växelarm Nr 20 i bild
    Art nr. 813028003
    21,94 SEK
  • Växelarm Mercury F 25 EFI - F 30 EFI, 526 cc 4-takt Tohatsumodeller Nr 13 i bild
    Art nr. 898101169
    36,81 SEK
  • Gasarm Mercury F 25 EFI - F 30 EFI, 526 cc, 4-takt Tohatsumodeller Nr 31 i bild
    Art nr. 898101203
    65,39 SEK
  • O-ring ventil bränsleinsprutning Mercury F 25 EFI - F 30 EFI, 526 cc 4-takt Tohatsumodell Nr 6 i bild Samma som Tohatsu art 3AC-10162-0
    Art nr. 898101131
    46,54 SEK
  • O-ring/tätning oljesticka Mercury art 8M0135590 samt tätning insprutningsrail Mercury F 10 EFI - F 20 EFI, 4-takt 333 cc och F 25  - F 30 , 4-takt 500 cc och 526 ...
    Art nr. 804840007
    25,78 SEK
  • Totalt 9010 poster
    Sida 139 av 376