Tohatsu
Tändningslås och nödstopp till din Tohatsu.
-
Nödstoppsklyka/dödmansgrepp med snodd, alla utom BFT modeller Ers 353-06821-...Art nr. 31H-06848-0322,54 SEK
-
Tändningslås, flera modeller - sitter bl.a i reglage RC5A och RC5B Se parts ...Art nr. 353-76020-31 424,23 SEK
-
Tändningslås, flera modeller Se parts list för rätt del.Art nr. 385-76020-11 367,25 SEK
-
Nödstoppsats/dödmansgrepp Tohatsu, vissa modeller samt vissa reglage. Se pa...Art nr. 3A3-06830-0310,09 SEK
-
Startnyckel nr 1, 301 står på nyckel.Art nr. 3F3-76217-0217,36 SEK
-
Startnyckel nr 2, 302 står på nyckel.Art nr. 3F3-76218-0217,36 SEK
-
Startnyckel nr 3, 303 står på nyckel.Art nr. 3F3-76219-0217,36 SEK
-
Nödstopp/dödmansgrepp Tohatsu MFS 2,5 A - MFS 3,5 A, 4-takt samt M 4 C - M...Art nr. 3D5-06870-0797,56 SEK
-
Startnyckel Tohatsu. Välj rätt nummer enligt nedan 3GF-76217-0 = nr 943 ...217,36 SEK
-
Nödstopp Tohatsu MFS 9,9 E EFI - MFS 20 E EFI 4-takt. Nytt nr 3RS-06830-1Art nr. 3RS-06830-0359,70 SEK
-
Nödstoppsats Tohatsu, passar flera modeller. Se sprängskiss för rätt del. E...Art nr. 398-06830-0322,49 SEK
-
Nödstopp Tohatsu MFS 2,5 B + C - MFS 3,5 B + C samt MFS 4 B+C+D - MFS 6 B+C+D...Art nr. 3GR-06870-0939,99 SEK
-
Tändningslås Tohatsu M 40 D - M 50 D, 2-takt rorkult Samma som Mercury art 8...Art nr. 3C8-76020-21 253,31 SEK
-
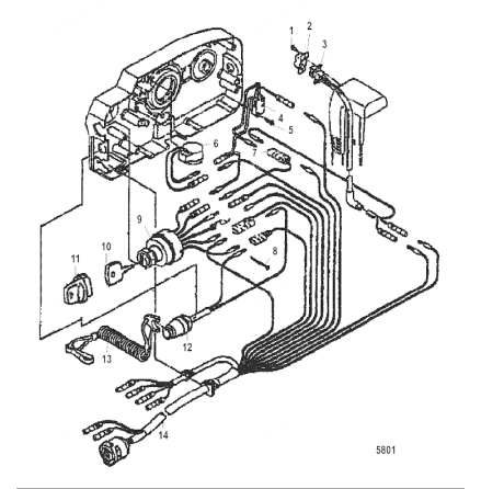
Nödstopp Tohatsu M 40 D - M 50 D, 2-takt rorkult Nr 38 i bild 2 Samma som M...Art nr. 3C8-06820-0826,05 SEK
-
Gummi nyckelskydd/grepp Tohatsus nycklar i 3GF-serien.Art nr. 3GF-76205-0308,51 SEK
-
Gummiskydd startnyckel Tohatsu 353-serien Nyckel 301, 302 och 303 Nr 11 i ...Art nr. 353-76205-1155,00 SEK
-
Nyckelset 301, Tohatsu äldre tändningslås Se sprängskiss för rätt delArt nr. 353-76203-1308,51 SEK
-
Nyckelset 302, Tohatsu äldre tändningslås Se sprängskiss för rätt delArt nr. 353-76203-2308,51 SEK
-
Nyckelset 303, Tohatsu äldre tändningslås Se sprängskiss för rätt delArt nr. 353-76203-3308,51 SEK