-
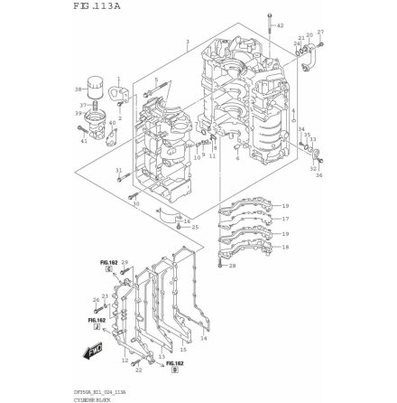
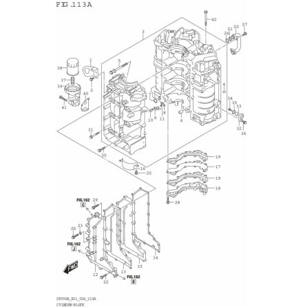
Pin, låsning, vevaxel Suzuki DF 100 A+C - DF 140 A+B, 4-takt Se sprängskiss för rätt del Nr 10 i bildArt nr. 09202-0502730,00 SEK
-
Låspin Suzuki DF 2,5 - DF 140 hk, 4-takt Sitter på olika ställen, se sprängskiss för rätt del.Art nr. 04221-0510923,75 SEK
-
Bussning kamkedjespännare Suzuki DF 70 A - DF 350 A, 4-takt flera modeller Se sprängskiss för rätt del Nr 20 i bild 2, som visar DF 300 AArt nr. 12812-90J00110,00 SEK
-
O-ring kamkedjespännare Suzuki DF 90 T - DF 100 A - DF 115 A+B - DF 140 A+B, 4-takt flera modeller Se sprängskiss för rätt del.Art nr. 09280-2202261,25 SEK
-
Låsring kamkedjespännare Suzuki DF 100 A - DF 140 A+B, 4-takt flera modeller Se sprängskiss för rätt delArt nr. 08331-4126933,75 SEK
-
Ventiltätning Suzuki DF 90 T - DF 100 A - DF 115 A+B - DF 140 A+B, 4-takt flera modeller Se sprängskiss för rätt del och antal Nr 11 i bild 2Art nr. 09289-06003117,50 SEK
-
Ventilknaster, halva, Suzuki DF 90 T - DF 100 A - DF 115 A+B - DF 140 A+B, 4-takt flera modeller Se sprängskiss för rätt del och antal, två halvor åtgår per vent...Art nr. 12932-85FA043,75 SEK
-
Insprutare Suzuki DF 100 C - DF 115 B - DF 140 B, 4-takt Se sprängskiss för rätt del 4 st åtgår per motorArt nr. 15710-99L001 017,50 SEK
-
Tätning bränslekoppling Suzuki DF 40 - DF 300 hk, 4-takt flera modeller Se sprängskiss för rätt del och antal Nr 11 i bild 1, som visar DF 60 TArt nr. 15762-90J00107,50 SEK
-
Kolhållare startmotor Mercury F 8 - F 9,9 hk, 209 cc 4-takt Nr 54 i bild 1, enbart hållare - ej kol Samma som Tohatsu art 3AA-76014-0Art nr. 803838001418,66 SEK
-
Tätsats, stora satsen, powertrim Mercury flera modeller 2-takt och 4-takt, t.ex Verado L4, V6 och V8 4-takt flera modeller Se sprängskiss för rätt del.Art nr. 8M01483854 350,19 SEK
-
Tätning över och under impeller Mercury 20 - 50 hk, 2-takt flera modeller och F 25 - F 50 hk, 4-takt flera modeller Se sprängskiss för rätt del och antal Nr 29...Art nr. 8M020472215,66 SEK
-
Bult underkåpa Mercury F 80 - F 115 hk, 2,1 liter, F 150 hk, 3 liter samt V 6 och V 8, 4-takt vissa modeller Se sprängskiss för rätt del och antal M 6 x 85 mmArt nr. 8M007107890,86 SEK
-
Tätning manuell start mot kåpa Mercury F 10 EFI - F 20 EFI, 333 cc 4-takt Nr 4 i bild Samma som Tohatsu art 3RS-67503-0Art nr. 8M0135611143,73 SEK
-
Oljebehållare powertrim Suzuki DF 60 - DF 70 hk, ej A-modeller, DF 70 A - DF 90 A - DF 100 b, DF 100 A - DF 140 A, DF 115 BG - DF 140 BG, 4-takt Se sprängskiss f...Art nr. 48571-87L012 875,00 SEK
-
Bussning växelstång Suzuki DF 70 A - DF 100 B, 4-takt (ej DF 100 A) Nr 5 i bild Se sprängskiss för rätt del, 2 st åtgår per motorArt nr. 21153-87L0056,25 SEK
-
Tätning växelclutchhållare Suzuki DF 70 A - DF 100 B, 4-takt (ej DF 100 A) Nr 6 i bild Se sprängskiss för rätt del.Art nr. 21157-87L0055,00 SEK
-
Gummitätning kablage Mercury F 10 EFI - F 20 EFI, 333 cc 4-takt rorkult/tiller Nr 24 i bildArt nr. 8M013738192,63 SEK
-
Gummitätning kablage Mercury F 10 EFI - F 20 EFI, 333 cc 4-takt reglagemodeller Nr 24 i bildArt nr. 8M0137385131,65 SEK
-
Packning under stålplatta impellerhus Suzuki DF 300 B - DF 350 A, 4-takt "gamla huset", till 2022 Se sprängskiss för rätt del, nr 6 i bild 2Art nr. 17472-98L00152,50 SEK
-
Packning under stålplatta impellerhus Suzuki DF 300 B - DF 350 A, 4-takt "nya huset", från sent 2022Art nr. 17472-87M00126,25 SEK
-
Gummitätning rigg, hål för anodskruv Mercury F 80 - F 115 hk, 2,1 liter 4-taktArt nr. 8M007453111,23 SEK
-
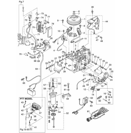
Packning oljefilterhållare Suzuki DF 300 B - DF 350 A, 4-takt Nr 40 i bildArt nr. 16539-98L1098,75 SEK
-
Packning oil gallery Suzuki DF 300 B - DF 350 A, 4-takt Nr 19 i bild, 2 st åtgår per motorArt nr. 16433-98L00127,50 SEK