• Tiltstopp Mercury F 8 - F 9,9 hk EFI, 209 cc samt F 10 - F 20 hk, 333 cc och 351 cc, 4-takt powertiltmodeller Nr 3 i bild Samma som Tohatsu art 3Z0-77115-0 Se ...
    Art nr. 815051001
    98,08 SEK
  • Hylsa för oljesticka Mercury F 8 EFI - F 9,9 EFI, 209 cc 4-takt Samma som Tohatsu art 31H-07720-0
    Art nr. 8M0223379
    278,18 SEK
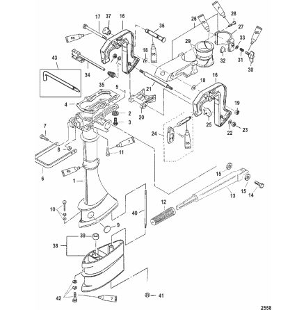
  • Stopp gaslänk Mercury 10 - 18 hk, 247 cc 2-takt Nr 7 i bild 2 Låsskruv art 8M0050972 köps separat Samma som Tohatsu art 350-03176-0
    Art nr. 803682
    57,88 SEK
  • Skruv, låsning för gaslänkstopp art 803682, Mercury 10 - 18 hk, 247 cc 2-takt Nr 9 i bild 2 Ers art 803683 Samma som Tohatsu art 910903-0506, tid 350-03178-0
    Art nr. 8M0050972
    23,13 SEK
  • Bricka Mercury 4 - 30 hk, 2-takt samt F 4 - F 6 hk, 4-takt flera Tohatsumodeller Nr 6 i bild Samma som Tohatsu art 332-83725-0 Se sprängskiss för rätt del
    Art nr. 17029
    17,96 SEK
  • Övre motorupphängning/motorkudde Mercury F 8 - F 9,9 hk, 209 cc (ej CT-växelhusmodeller)Nr 30 i bild 2 Samma som Tohatsu art 3V1-61333-1  (Tohatsu MFS 8 A+B+C - ...
    Art nr. 895167002
    283,34 SEK
  • Knacksensor Mercury vissa Verado L 4, DFI/EFI v 6 Se sprängskiss för rätt del. Ers art 878187
    Art nr. 8M6003194
    890,99 SEK
  • O-ring rigg Tohatsu M 9,9 - M 18 hk, 2-takt samt MFS 8 - MFS 9,8 - MFS 9,9 CY, 209 cc 4-takt Nr 16 i bild 2 Se sprängskiss för rätt del Samma som Mercury art 1...
    Art nr. 350-62415-0
    49,08 SEK
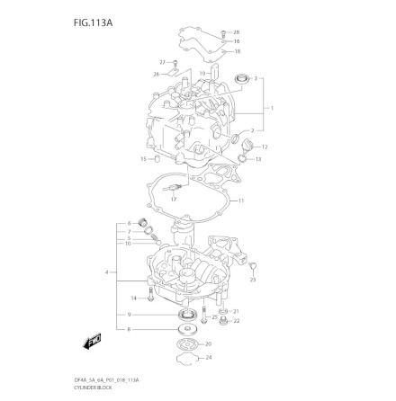
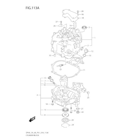
  • Nippel, ventilation, Suzuki DF 4 A - DF 6 A, 4-takt flera modeller Nr 17 i bild Se sprängskiss för rätt del.
    Art nr. 11177-97L00
    123,75 SEK
  • Bricka, distans, för packbox Suzuki DF 4 A - DF 6 A, 4-takt flera modeller Nr 20 i bild Se sprängskiss för rätt del.
    Art nr. 11431-97L00
    90,00 SEK
  • Bult förgasare Tohatsu M 25 C - M 30 A hk, 430 cc 2-takt Nr 2 i bild 2 Samma som Mercury art 853718 och 8M0106728, som dock utgått Se sprängskiss för rätt del ...
    Art nr. 915321-0618
    35,06 SEK
  • Bult startapparat Tohatsu M 25 C - M 30 A samt M 40 C, 2-takt Nr 1-12 i bild 2 Samma som Mercury art 8M0106739
    Art nr. 910114-0830
    52,59 SEK
  • Startkrans nedre, Mercury 25 - 30 hk, 2-takt 430 cc Tohatsumodell Ersätter Mercury art 8126421, nr 2 i bild 2 Samma som Tohatsu art 345-05901-1  (Tohatsu M 25 C...
    Art nr. 812642T01
    774,01 SEK
  • Styrning startsnöre Mercury 25 - 30 hk, 2-takt 430 cc Tohatsumodell Nr 1-17 i bild 2 Samma som Tohatsu art 336-05014-0  (Tohatsu M 25 C - M 30 A samt M 40 C)
    Art nr. 853754
    162,88 SEK
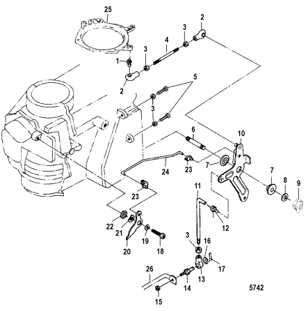
  • Länk tändplatta/gas Mercury 25 - 30 hk, 2-takt 430 cc Tohatsumodell Nr 4 i bild  Samma som Tohatsu art 350-63717-1  (Tohatsu M 25 C - M 30 A)
    Art nr. 853746004
    41,53 SEK
  • Packbox vevaxeltätningshus Mercury 2,5 - 3,3 hk, 74,5 cc, 2-takt Se sprängskiss för rätt del och antal Samma som Tohatsu art 3F0-01215-0
    Art nr. 822891
    37,70 SEK
  • Vevhustätning Mercury 3,3 hk, 74,5 cc 2-takt Nr 17 i bild 2 Ers art 8228881 och 822888 Samma som Tohatsu art 3F0-01210-1  (Tohatsu M 3,5 B) Tätningar, art 822...
    Art nr. 8M0091645
    283,93 SEK
  • Bladventil insug Mercury 2,5 - 3,3 hk, 74,5 cc, 2-takt Se sprängskiss för rätt del  Nr 16 i bild 2 Samma som Tohatsu art 309-02111-0
    Art nr. 95226
    89,10 SEK
  • Tiltstopp Mercury 2,5 - 3,3 hk, 74,5 cc, 2-takt Se sprängskiss för rätt del Ers art 815094 Nr 20 i bild 2 Samma som Tohatsu art 309-62464-2
    Art nr. 8M0058619
    52,28 SEK
  • Knopp för tiltstopp Mercury 2,5 - 3,3 hk, 74,5 cc, 2-takt Se sprängskiss för rätt del Nr 21 i bild 2 Samma som Tohatsu art 309-62463-0
    Art nr. 815096
    30,49 SEK
  • Upphängningsbygel Mercury 2,5 - 3,3 hk, 74,5 cc, 2-takt Se sprängskiss för rätt del, 2 st åtgår per motor (båda sidor är lika) Nr 16 i bild  Ers art 8150851, 8...
    Art nr. 8150852
    363,59 SEK
  • Gummi rorkult Mercury 2,5 - 3,3 hk, 74,5 cc, 2-takt Se sprängskiss för rätt del Nr 12 i bild 2 Samma som Tohatsu art 309-63012-0
    Art nr. 95274
    57,44 SEK
  • Impellerplåt under impellerhus Mercury 3,3 hk, 74,5 cc 2-takt samt F 2,5 - F 3,5 hk, 85,5 cc 4-takt Nr 8 i bild 1 Samma som Tohatsu art 3F0-65025-0
    Art nr. 161591
    29,45 SEK
  • Tätning kylvattenrör Mercury 3,3 hk, 74,5 cc 2-takt Nr 17-1 i bild 2 Samma som Tohatsu art 309-65031-1   (Tohatsu M 3,5 B)
    Art nr. 953601
    22,39 SEK
  • Totalt 9010 poster
    Sida 280 av 376