-
Startapparat Suzuki DF 2,5 hk. Se sprängskiss för rätt del. Ers art 18100-97J00, 18100-97J10, 18100-97JL0Art nr. 18100-97JM01 142,50 SEK
-
Startsnöre Mercury F 2,5 - F 3,5, 85,5 cc, 4-takt från nr 0R131842 och nyareArt nr. 8M016048262,00 SEK
-
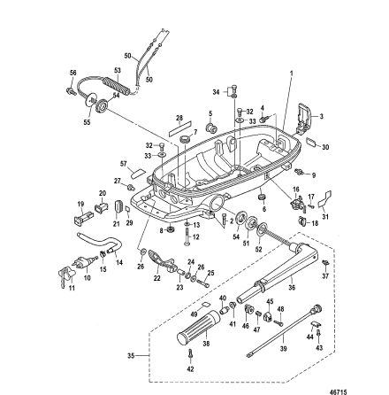
Ventil avgas Mercury V 6 och V 8, 4-takt flera modeller Se sprängskiss för rätt del Nr 31 i bild 2Art nr. 8M0142534512,39 SEK
-
Ventil avgas Mercury V 6 och V 8, 4-takt flera modeller Se sprängskiss för rätt del Nr 33 i bildArt nr. 8M0142536466,60 SEK
-
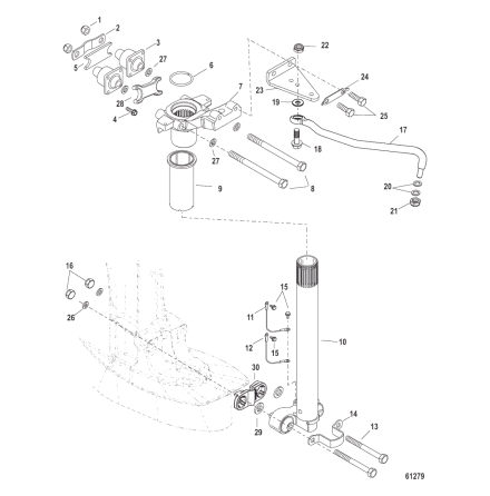
Nippel dränering Mercury V 6 och V 8, 4-takt flera modeller Se sprängskiss för rätt del Nr 16 i bildArt nr. 8M01427299,83 SEK
-
O-ring Mercury, sitter i olika delar motorblock/adaprtorplatta/avgassystem på Verado L 4 och L 6, V 6 - V 8, V 10 - V 12, 4-takt flera modeller Se sprängskiss fö...Art nr. 89244616,46 SEK
-
O-ring Mercury, sitter i olika delar motorblock/adaprtorplatta/avgassystem på V 6 - V 8 samt V 10 , 4-takt flera modeller Se sprängskiss för rätt del Nr 34 i b...Art nr. 86300624,41 SEK
-
Gummi avgassystem Mercury V 6 och V 8, 4-takt flera modeller Se sprängskiss för rätt del Nr 18 i bild, som visar F 200 hk, V 6Art nr. 8M014274029,33 SEK
-
O-ring nippel kylsystem Mercury V 6 och V 8, 4-takt Se sprängskiss för rätt del och antal Nr 7 i bildArt nr. 8M01425176,65 SEK
-
O-ring kylsystem Mercury F V 6, V 8 och V 10, 4-takt, design 1 Se sprängskiss för rätt del Nr 19 i bild 2 visar F 200 hk, V 6Art nr. 8661417,19 SEK
-
O-ring kylsystem Mercury V 6, V 8 och V 10, 4-takt flera modeller Se sprängskiss för rätt del och antal, säljes styckvisArt nr. 8M01425232,60 SEK
-
Nippel Mercury, bl.a till bränslepump och heater från vevhus, flera 2-taktare Se sprängskiss för rätt del Nr 11 i bild 2 Ers art 33373Art nr. 33373001168,59 SEK
-
Elanslutning vapor Mercury F 30 EFI - F 60 EFI, 4-takt (ej Tohatsumod.) Se sprängskiss för rätt delArt nr. 8922675351 207,41 SEK
-
Gummi kylvatten ut rigg, underkåpor, Mercury V 6 och V 8, 4-takt flera modeller Se sprängskiss för rätt del Nr 24 i bild 2Art nr. 8M0142736142,00 SEK
-
O-ring oljepump Mercury Verado L 6, 4-takt Se sprängskiss för rätt del och antalArt nr. 88793021,66 SEK
-
Gummidämpare riggrör Mercury F 40 EFI - F 60 EFI, 4-takt från motornummer 1C453840 och nyare Se sprängskiss för rätt del Nr 30 i bildArt nr. 8M010679275,26 SEK
-
Gummi Mercury, sitter i flera motorer bl.a F 4 - F 6 hk, 123 cc, 4-takt från nr 0R411838 och nyare samt 40 - 50 hk, 697 cc, 2-takt Se sprängskiss för rätt del N...Art nr. 85555123,13 SEK
-
Tätning kylvatten adaptorplatta Mercury Verado L 4 och L 6, 4-takt Se sprängskiss för rätt del och antalArt nr. 884462179,28 SEK
-
Packbox adaptorplatta Mercury Verado L 4 och L 6, 4-takt Se sprängskiss för rätt del Ers art 884461Art nr. 8M0033928194,15 SEK
-
Tätning vid motoroljeplugg Mercury F 25 - F 60 hk, 4-takt flera modeller, ej "Tohatsu" Se sprängskiss för rätt del Nr 7 i bild 2Art nr. 826276230,49 SEK
-
Ventiltätning Mercury F 30 - F 60 hk, 4-takt flera modeller Se sprängskiss för rätt del och antal Nr 3 i bild 2Art nr. 858271239,23 SEK
-
Gummitätning Mercury F 4 - F 6 hk, 123 cc, 4-takt från nr 0R411838 och nyare Sitter i flera modeller med separat tank, döljer hålet bränslekranen sitter i på and...Art nr. 8M005636343,44 SEK
-
Gummitätning Mercury F 4 - F 6 hk, 123 cc, 4-takt från nr 0R411838 och nyare Nr 45 i bild Se sprängskiss för rätt del Samma som Tohatsu art 3GR-66260-0Art nr. 8M005636539,03 SEK
-
Packning, tätning, insug Mercury F 10 EFI, 333 cc, 4-takt Nr 28 i bild Samma som Tohatsu art 3RU-02418-0Art nr. 8M017345366,56 SEK