-
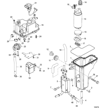
Ventilsäte, avgasventil, Mercury V 6, V 8, V 10 , 4-takt flera modeller Se sprängskiss för rätt del och antal Nr 3 i bildArt nr. 8M014235545,94 SEK
-
Lock, hatt, bränsleskena Mercury V 6 och V 8, 4-takt Se sprängskiss för rätt del och antalArt nr. 8M004656642,19 SEK
-
Skruv vaporlock Mercury flera modeller 4-takt Se sprängskiss för rätt del och antal, säljes styckvis Nr 1 i bildArt nr. 8M00537568,24 SEK
-
Pin, styrstift, Suzuki DF 9,9 B - DF 350 A, 4-takt flera modeller Se sprängskiss för rätt del och antal, säljes styckvis Nr 12 i bild 1, som visar DF 175 A Nr ...Art nr. 09202-0800650,00 SEK
-
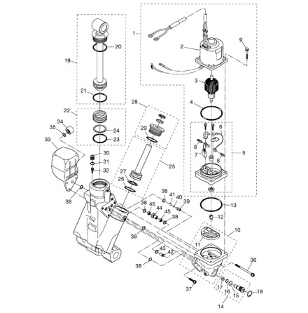
Fäste för neutralstartswitch Mercury F 10 - F 20 hk, 351 cc, 4-takt Nr 35 i bild Samma som Tohatsu art 3BJ-76081-0Art nr. 853817003147,26 SEK
-
Mutter, plast, till Mercury primer art 895124 Nr 21 i bild 2 Se sprängskiss för rätt delArt nr. 89517722,09 SEK
-
Gummigenomföring Mercury F 8 - F 9,9 hk, 209 cc, 4-takt flera rorkultsmodeller Se sprängskiss för rätt del Nr 83 i bild Samma som Tohatsu art 3Y3-63621-0Art nr. 89517561,85 SEK
-
Impellerhus Suzuki DF 40 - DF 50 hk, 4-takt 2001 - 2010 Ej A-modeller Passar även vissa 2-taktare DT 20 - DT 40 hk Se sprängskiss för rätt del Ers art 17410-9...Art nr. 17410-92L001 966,25 SEK
-
Packning vevaxeltätning Tohatsu MFS 4 D - MFS 6 D, 4-taktArt nr. 3GR-01214-0107,50 SEK
-
Platta avgas Mercury F 4 - F 6 hk, 123 cc, 4-takt Nr 6 i bild Samma som Tohatsu art 3H6-02302-1Art nr. 803532001216,48 SEK
-
Motorservicesats Suzuki DF 60 - DF 70 hk, ca 1998 - 2007 4-takt ej A-modeller Se sprängskiss för rätt del Artikelinformation1st 17400-87E04-000 KIT,WATER PUMP R...Art nr. 17400-998721 002,50 SEK
-
Tändspole, dubbel, Tohatsu MFS 8 C - MFS 9,8 C - MFS 9,9 CY, 209 cc 4-takt EFI Nr 15 i bild Samma som Mercury art 8M0223444Art nr. 31H-06040-01 766,04 SEK
-
Tändhatt Mercury F 8 EFI - F 9,9 EFI, 209 cc, 4-takt Nr 16 i bild, 2 st åtgår per motor Samma som Tohatsu art 31H-06999-0Art nr. 8M0223445228,26 SEK
-
Kolsats startmotor, inkl hållare enl. foto Mercury F 8 - F 9,9 hk, 209 cc 4-takt Nr 29 i bild Samma som Tohatsu art 31H-75014-0Art nr. 8M0229582691,69 SEK
-
Riggpackning Mercury F 8 EFI - F 9,9 EFI, 209 cc, 4-takt, insprutade modellen Samma som Tohatsu art 31H-01303-0Art nr. 8M0223377261,54 SEK
-
Plugg motorblock Mercury F 8 EFI - F 9,9 EFI, 209 cc samt F 25 EFI - F 30 EFI, 500 cc, 4-takt Se sprängskiss för rätt del och antalArt nr. 8M018678036,96 SEK
-
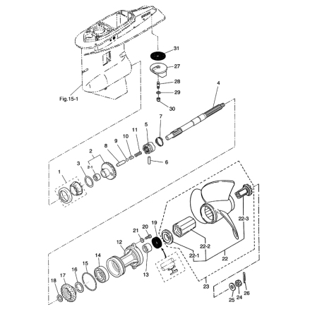
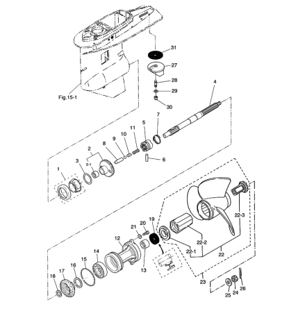
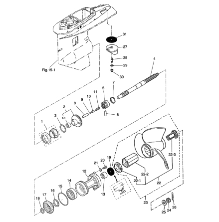
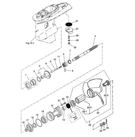
Shims propelleraxel Tohatsu M 60 C - M 140 A, 2-takt, MD 70 B - MD 115 A, TLDI samt MFS 75 A - MFS 140 A, 4-takt Se sprängskiss för rätt del och antal. Nr 3 i b...Art nr. 3B7-64016-049,08 SEK
-
Shims propelleraxel Tohatsu M 60 C - M 140 A, 2-takt, MD 70 B - MD 115 A, TLDI samt MFS 75 A - MFS 140 A, 4-takt Se sprängskiss för rätt del och antal. Nr 3 i b...Art nr. 3B7-64015-035,06 SEK
-
Shims propelleraxel Tohatsu M 60 C - M 140 A, 2-takt, MD 70 B - MD 115 A, TLDI samt MFS 75 A - MFS 140 A, 4-takt Se sprängskiss för rätt del och antal. Nr 7 i b...Art nr. 3B7-64036-035,06 SEK
-
Shims propelleraxel Tohatsu M 60 C - M 140 A, 2-takt, MD 70 B - MD 115 A, TLDI samt MFS 75 A - MFS 140 A, 4-takt Se sprängskiss för rätt del och antal. Nr 7 i b...Art nr. 3B7-64037-035,06 SEK
-
Nållager drev propelleraxel Tohatsu M 60 C - M 140 A, 2-takt, MD 70 B - MD 115 A, TLDI samt MFS 75 A - MFS 140 A, 4-takt Se sprängskiss för rätt del och antal. ...Art nr. 3B7-64011-0631,04 SEK
-
Hållare trimknapp i underkåpa, Tohatsu MFS 75 A - MFS 140 A, 4-takt Nr 75 i bildArt nr. 3SS-72617-057,06 SEK
-
Pump, hydraulolja, trim Tohatsu - flera modeller 2-takt, TLDI och 4-takt Se sprängskiss för rätt del Nr 10 i bildArt nr. 3SS-77430-06 478,75 SEK
-
Skruv vapor Mercury F 30 - F 40 EFI samt F 40 - F 60 EFI, flera modeller (ej Tohatsu) Se sprängskiss för rätt del och antal Nr 31 i bildArt nr. 89226752942,19 SEK