Suzuki
Växlingsdelar till Suzuki DF
-
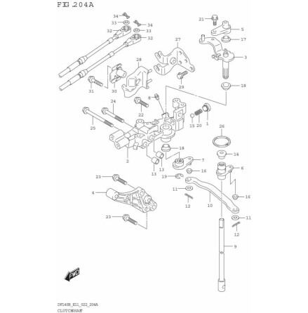
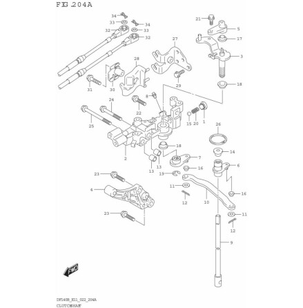
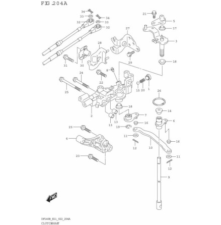
Växelstång Suzuki DF 200 - DF 300 hk, 4-takt flera modeller lång rigg, L Se ...Art nr. 23111-93J101 262,50 SEK
-
Växelarm Suzuki DF 9,9 - DF 15 hk, 4-takt äldre (ej A-mod) Se sprängskiss fö...Art nr. 23211-93E01172,50 SEK
-
Pin växel Suzuki DF 4 - DF 6 hk, 4-takt flera modeller Se sprängskiss för rä...Art nr. 23212-91J0018,75 SEK
-
Fjäder, för pin, växel Suzuki DF 4 - DF 6 hk, 4-takt flera modeller Se sprän...Art nr. 23213-91J0041,25 SEK
-
Växelstång Suzuki DF 150 - DF 200 hk, 4-takt flera modeller lång rigg, L Se ...Art nr. 25111-96J101 393,75 SEK
-
Växelstång Suzuki DF 250 - DF 300 hk, 4-takt flera modeller extra lång rigg, ...Art nr. 25112-93L00995,00 SEK
-
Yoke, arm, växel Suzuki DF 70 A - DF 100 B, 4-takt Se sprängskiss för rätt d...Art nr. 25131-87L011 080,00 SEK
-
Bricka, plast, Suzuki DF 90 - DF 300 hk, 4-takt flera modeller Se sprängskis...Art nr. 25222-90J0136,25 SEK
-
Tätning, distans, Suzuki DF 90 - DF 140 hk, 4-takt flera modeller Se sprängs...Art nr. 25222-92J0173,75 SEK
-
Gummiskydd växelstång Suzuki DT 25 - DT 30 hk, 2-takt samt DF 25 - DF 30 hk, ...Art nr. 25222-94L00228,75 SEK
-
Ratt friktionsjustering Suzuki DT 4 - DT 8 hk, 2-takt vissa samt DF 4 - DF 6 ...Art nr. 63244-986A055,00 SEK
-
Friktionsratt/skruvkit Suzuki DT 9,9 - DT 40 hk, 2-takt vissa samt DF 8 A - ...Art nr. 63240-94J2060,00 SEK
-
Låspin växelaxel Suzuki DF 300 B - DF 350 A, 4-takt Nr 8 i bildArt nr. 09200-0807498,75 SEK
-
Bussning växelarm Suzuki DF 90 - DF 140 hk, 4-takt vissa modeller Se sprängs...Art nr. 09306-1600477,50 SEK
-
Växelarm Suzuki DF 150 - DF 200 hk, 4-takt flera modeller Se sprängskiss för...Art nr. 21110-96J111 702,50 SEK
-
Hylsa växelarm Suzuki DF 60 - DF 300 hk, 4-takt flera modeller Sitter även i...Art nr. 09306-1000151,25 SEK
-
Växelarm Suzuki DF 150 - DF 300 hk, 4-takt flera modeller Se sprängskiss för...Art nr. 21230-98J01687,50 SEK
-
Kula växelenhet Suzuki DF 9,9 - DF 300 hk, 4-takt flera modeller Sitter även...Art nr. 09260-1000533,75 SEK
-
Distans/styrning växelenhet Suzuki DF 9,9 - DF 300 hk, 4-takt flera modeller ...Art nr. 09205-1000672,50 SEK
-
Växelarm/stång Suzuki DF 9,9 B - DF 20 A, EFI 4-takt Nr 4 i bild Ers Suzuki...Art nr. 21210-89L01280,00 SEK
-
Växelarm/stång Suzuki DF 9,9 B - DF 20 A, EFI 4-takt Nr 7 i bildArt nr. 23211-89L0083,75 SEK
-
Arm, växel Suzuki DF 9,9 B - DF 20 A, EFI 4-takt Nr 2 i bildArt nr. 21120-89L00166,25 SEK
-
Friktionsskruv rorkult Suzuki DF 4 A - DF 6 A, 4-takt flera modeller Se sprä...Art nr. 63240-95L00177,50 SEK
-
Anslutning växelstag Suzuki DF 115 BG - BF 140 BG samt DF 250 A - DF 300 A, 4...Art nr. 67467-89J10135,00 SEK
-
Fjäder Suzuki flera modeller Se sprängskiss för rätt del. Nr 20 i bild visa...Art nr. 09440-0707168,75 SEK
-
Bussning Suzuki flera modeller Se sprängskiss för rätt del. Nr 18 i bild vi...Art nr. 09306-1201445,00 SEK
-
Bussning Suzuki flera modeller Se sprängskiss för rätt del. Nr 17 i bild vi...Art nr. 09306-1002231,25 SEK
-
Växelarm Suzuki DF 4 A - DF 6 A, 4-takt flera modeller Se sprängskiss för rä...Art nr. 21120-97L00223,75 SEK
-
Arm, växel, Suzuki DF 4 - DF 6 hk, flera modeller 4-takt Se sprängskiss för ...Art nr. 23210-91J00352,50 SEK
-
Låsning växelstång Suzuki DF 4 - DF 6 hk, 4-takt flera modeller Se sprängski...Art nr. 23310-91J0076,25 SEK
-
Låsning växelstång Suzuki DF 4 - DF 6 hk, 4-takt flera modeller Se sprängski...Art nr. 23321-91J0030,00 SEK
-
Låsning växelarm Suzuki DF 4 - DF 6 hk, 4-takt flera modeller Se sprängskiss...Art nr. 21216-91J0033,75 SEK
-
Fjäder växelarm Suzuki DF 2,5 hk, 4-takt Nr 6 i bildArt nr. 23213-97J008,75 SEK
-
Bussning växelarm Suzuki DF 2,5 hk, 4-takt Nr 4 i bildArt nr. 21222-97J0025,00 SEK
-
Bussning växelarm Suzuki DF 2,5 hk, 4-takt Nr 3 i bildArt nr. 21221-97J0026,25 SEK
-
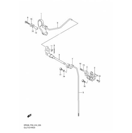
Gaswire Suzuki DF 2,5 hk, 4-takt flera modeller Se sprängskiss för rätt del....Art nr. 63610-97J00T000663,75 SEK