Tohatsu

Tohatsu

Delar till ditt Tohatsu växelhus.

Se länk  HÄR  för dellistor.

Läs mer
  • Lagerhållare växelhus Tohatsu MFS 9,9 C + D - MFS 20 C + D, 351 cc 4-takt In...
    Art nr. 3BJQ60100-1
    1 766,04 SEK
  • Lagerhus Tohatsu M 6 B - M 9,8 B hk, 2-takt 169 cc och MFS 8 - MFS 9,8 - MFS ...
    Art nr. 3B2Q60100-1
    1 196,35 SEK
  • Pinjongdrev MFS 9,9 - MFS 20 hk, 333 cc och 351 cc 4-takt Samma som Mercury ...
    Art nr. 3BJ-64020-0
    1 253,31 SEK
  • Inre lager samt stora lagret i trådrulle, växelhus Tohatsu MFS 9,9 C,D, E - M...
    Art nr. 3BJ-60215-0
    490,81 SEK
  • Inre lager växelhus Tohatsu M 9,9 - M 18 hk, 247 cc 2-takt samt MFS 9,9 B - M...
    Art nr. 9601-0-6205
    347,08 SEK
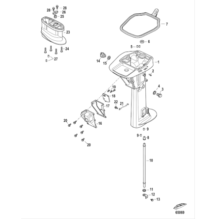
  • Framdrev Tohatsu MFS 40 A - MFS 60 A, 4-takt Nr 1 i bild
    Art nr. 3KY-64010-0
    2 220,00 SEK
  • Backdrev Tohatsu MFS 40 A - MFS 60 A, 4-takt Nr 4 i bild
    Art nr. 3KY-64030-0
    2 079,36 SEK
  • Pinjongdrev Tohatsu MFS 40 A - MFS 60 A, 4-takt Nr 20 i bild
    Art nr. 3KY-64020-0
    1 623,61 SEK
  • Fjäder drivaxel Tohatsu MFS 40 A - MFS 60 A, 4-takt Nr 33 i bild
    Art nr. 3KY-64327-0
    80,64 SEK
  • Hållare fjäder drivaxel Tohatsu MFS 40 A - MFS 60 A, 4-takt Nr 34 i bild
    Art nr. 3KY-64328-0
    122,70 SEK
  • Framdrev Tohatsu MFS 25 C + D - MFS 30 C + D, 4-takt 500 cc och 526 cc   Nr ...
    Art nr. 3NV-64010-0
    1 046,68 SEK
  • Pinjongdrev Tohatsu MFS 25 C + D - MFS 30 C + D, 4-takt 500 cc och 526 cc Nr...
    Art nr. 3NV-64020-0
    855,00 SEK
  • Framdrev, 23 kuggar, Tohatsu M 25 C - M 30 A, 2-takt samt MFS 25 A + B - MFS ...
    Art nr. 346-64010-2
    1 652,10 SEK
  • Backdrev Tohatsu M 25 C - M 30 A, 2-takt samt MFS 25 A - MFS 30 A, 4-takt Sa...
    Art nr. 346-64030-0
    1 424,23 SEK
  • Pinjongdrev, 12 kuggar, Tohatsu M 25 C - M 30 A, 2-takt samt MFS 25 A + B - M...
    Art nr. 346-64020-1
    996,95 SEK
  • Pinjongmutter Tohatsu M 9,9 B + C + D - M 18 C + D + E, 247 cc samt M 25 C - ...
    Art nr. 346-64027-1
    252,41 SEK
  • Clutch propelleraxel Tohatsu MFS 75 A - MFS 140 A, 4-takt Nr 9 i bild
    Art nr. 3SS-64215-0
    3 019,35 SEK
  • Växelförare, slider, propelleraxel Tohatsu MFS 75 A - MFS 140 A, 4-takt Nr 1...
    Art nr. 3SS-64225-0
    1 281,80 SEK
  • Växelhusbult Tohatsu MFS 75 A - MFS 140 A, 4-takt  M10-45-P1.25 , nr 7 i bild
    Art nr. 3SS-60001-0
    340,06 SEK
  • Clutch propelleraxel Tohatsu MFS 25 B + C + D - MFS 30 B + C + D, 4-takt
    Art nr. 3AC-64215-1
    1 253,31 SEK
  • Drivaxel, kort, Tohatsu MFS 25 - MFS 30, 492 cc och 526 cc 4-takt Samma som ...
    Art nr. 3R0-64301-0
    4 630,00 SEK
  • Kylvattenintagset Tohatsu M 25 C - M 30 A, 2-takt samt MFS 25 A + B + C - MFS...
    Art nr. 3A1-60235-0
    241,90 SEK
  • O-ring propellerlagerhus Tohatsu M 2,5 A2 - M 3,5 A2, 2-takt Nr 10 i bild 2 ...
    Art nr. 309-65015-0
    35,06 SEK
  • O-ring lagerhus propelleraxel Tohatsu M 25 C - M 30 A - M 40 C, hk, 2-takt sa...
    Art nr. 332-60103-0
    63,10 SEK
  • O-ring nedre impellerhus Tohatsu M 9,9 - M 18 och  M 25 C - M 30 A, 2-takt sa...
    Art nr. 336-62415-0
    35,06 SEK
  • Kula växelförare, växelhus Tohatsu MFS 75 A - MFS 140 A, 4-takt Nr 13 i bild...
    Art nr. 965002-3207
    77,13 SEK
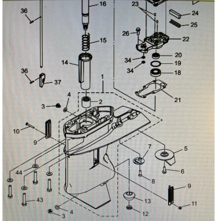
  • Lager växelhus, i lagerhus, Tohatsu M 40 D - M 50 D, 2-takt och MFS 40 A - MF...
    Art nr. 9601-0-6007
    420,69 SEK
  • Packbox Tohatsu, sitter i lagerhus växelhus/nedre impellerhus i M 9,9 - M 30 ...
    Art nr. 346-65013-0
    129,71 SEK
  • Bussning växelstång Tohatsu MFS 4 - MFS 6 hk samt MFS 8 - MFS 9,8 hk, 4-takt ...
    Art nr. 3UA-66031-0
    87,65 SEK
  • Cam follower, växelföljare, Tohatsu M 25 C - 30 A hk, samt M 40 D - M 50 D hk...
    Art nr. 3C8-64223-1
    203,34 SEK
  • Lager växelhus, drivaxel, Tohatsu M 40 D - M 50 D, 2-takt och MD 40 - MD 50, ...
    Art nr. 3C8-60213-0
    385,64 SEK
  • O-ring Tohatsu lagerhus, propelleraxel, M 9,9 - M 18 hk, 2-takt samt MFS 9,9 ...
    Art nr. 3C7-01403-0
    315,53 SEK
  • Bult växelhus MFS 9,9 E - MFS 20 E, 4-takt 333 cc EFI Nr 24 i bild, 4 st åtg...
    Art nr. 3BJ-60001-0
    77,13 SEK
  • O-ring växelstång Tohatsu M 60 C - M 90 A - M 140 A, 2-takt samt MD 70 B - MD...
    Art nr. 3B7-65015-0
    87,65 SEK
  • Packbox lagerhus Tohatsu M 60 C - M 90 A - M 140 A, 2-takt samt MD 70 B - MD ...
    Art nr. 3B7-60111-0
    455,75 SEK
  • Fjäderhållare växelhus Tohatsu M 6 B - M 9,8 B hk, 2-takt 169 cc samt MFS 8 -...
    Art nr. 3B2-64222-0
    63,10 SEK
Totalt 201 poster
Sida 3 av 6
1 2 3 4 5 6