Tohatsu

Tohatsu

Här hittar du motordelar till din Tohatsu/Nissan utombordsmotor

Länk till sprängskisser  HÄR

Läs mer
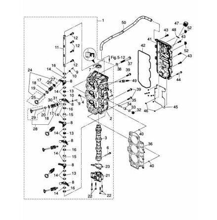
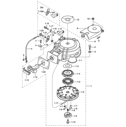
  • Kolvbult Tohatsu M 40 C, 2-takt 2-cyl. Nr 12 i bild 2
    Art nr. 345-00021-1
    210,35 SEK
  • Kolvringsats, standarddimension, Tohatsu M 40 D - M 50 D, 2-takt Sats till e...
    Art nr. 3C8-87123-0
    1 338,76 SEK
  • Kolvringsats, överdimension + 0,5, Tohatsu M 40 D - M 50 D, 2-takt Sats till...
    Art nr. 3C8-87124-0
    1 595,13 SEK
  • Kolv standard, Tohatsu M 40 D - M 50 D, 3-cyl 2-takt 697 cc Samma som Mercur...
    Art nr. 3C8-00001-4
    996,95 SEK
  • Diastans, spacer, Tohatsu flera modeller Se sprängskiss för rätt del.
    Art nr. 3C7-67114-1
    49,08 SEK
  • O-ring Tohatsu, sitter som låsning på flera modeller Se sprängskiss för rätt...
    Art nr. 3C7-03271-2
    35,06 SEK
  • Bussning oljepump Tohatsu M 90 A - M 140 A, 2-takt Se sprängskiss för rätt d...
    Art nr. 3B7-09069-0
    368,11 SEK
  • Gummidistans Tohatsu, flera modeller Se sprängskiss för rätt del. 
    Art nr. 3B7-06920-0
    35,06 SEK
  • Packbox vevaxel Tohatsu M 6 B - M 9,8 B, 2-takt samt MFS 2,5 - MFS 6 hk, 4-ta...
    Art nr. 3AB-00121-0
    220,86 SEK
  • Distans, collar, Tohatsu flera modeller Se sprängskiss för rätt del. 
    Art nr. 3A0-76079-0
    45,58 SEK
  • Packbox vevaxel Tohatsu M 4 C - M 5 B, 2-takt samt MFS 4 - MFS 6 hk, 4-takt ...
    Art nr. 369-01215-0
    94,66 SEK
  • Svänghjulsmutter Tohatsu M 4 C - M 9,8 B, 2-takt samt MFS 4 - MFS 9,8 hk, 4-t...
    Art nr. 369-00132-0
    35,06 SEK
  • Distans Tohatsu, sitter i fler modeller Se sprängskiss för rätt del. Samma ...
    Art nr. 346-67114-1
    35,06 SEK
  • Bricka topplocksbult Tohatsu M 25 C - M 30 A, 2-takt Nr 25 i bild Se spräng...
    Art nr. 345-01015-0
    35,06 SEK
  • O-ring övre vevaxeltätning Tohatsu M 9,9 - M 30 A samt M 40 C, 2-takt Nr 22 ...
    Art nr. 338-01403-0
    49,08 SEK
  • O-ring plunger Tohatsu MFS 75 A - MFS 140 A, 4-takt Nr 23 i bild 2
    Art nr. 3SS-07631-0
    136,73 SEK
  • Packbox motorblock Tohatsu MFS 8 - MFS9,8 hk, MFS 9,9 B+C+D+E - MFS 18 B - MF...
    Art nr. 3H8-07025-0
    164,78 SEK
  • Packning rectifier Tohatsu MFS 25 D - MFS 30 D, 4-takt Nr 31 i bild Samma s...
    Art nr. 3VS-76067-0
    105,18 SEK
  • Kolvringsats standard, Tohatsu MFS 25 D - MFS 30 D, 500 cc 4-takt Nr 11 i bi...
    Art nr. 3VS-87123-0
    560,93 SEK
  • Vevstake Tohatsu MFS 9,9 E - MFS 20 E, 4-takt 333 cc och MFS 25 D - MFS 30 D,...
    Art nr. 3RS-00040-0
    1 338,76 SEK
  • Packbox, sitter bl.a på vevaxel Tohatsu M 25 C - M 30 A och M 60 B + C - M 70...
    Art nr. 126-00121-0
    143,74 SEK
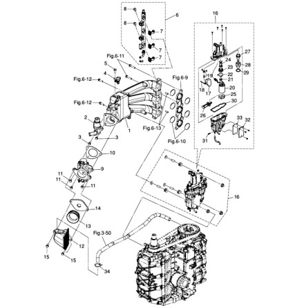
  • Mutter remdrev, vevaxel, Tohatsu MFS 75 A - MFS 140 A, 4-takt Nr 4 i bild 2
    Art nr. 3SS-10068-0
    525,86 SEK
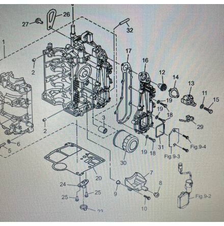
  • Remguide kamrem Tohatsu MFS 75 A - MFS 140 A, 4-takt Nr 3 i bild 
    Art nr. 3SS-10063-0
    154,25 SEK
  • Remdrev, vevaxel, Tohatsu MFS 75 A - MFS 140 A, 4-takt Nr 1 i bild 
    Art nr. 3SS-10060-0
    2 079,36 SEK
  • Platta, inre, avgaskylning Tohatsu M 6 B - M 9,8 B, 2-takt Nr 20 i bild 
    Art nr. 3B2B02302-0
    319,03 SEK
  • Remdrev, kamaxel, Tohatsu MFS 75 A - MFS 140 A, 4-takt Nr 5 i bild 1.
    Art nr. 3SS-10065-0
    2 563,60 SEK
  • Bult kamdrev Tohatsu MFS 75 A - MFS 140 A, 4-takt Nr 8 i bild.
    Art nr. 3SS-02319-0
    175,29 SEK
  • Bricka kamdrevsbult/svänghjulsbult/mutter Tohatsu MFS 8 C - MFS 9,9 CY, MFS 2...
    Art nr. 3SS-01116-0
    38,56 SEK
  • Packbox vevaxel Tohatsu M 60 B + C - M 70 B + C, 2-takt Se sprängskiss för r...
    Art nr. 3F3-01215-0
    486,13 SEK
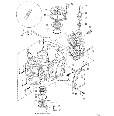
  • Gasspjällhus Tohatsu MFS 40 A - MFS 50 A, 4-takt Nr 9 i bild
    Art nr. 3KY-10100-0
    3 298,43 SEK
  • Gasspjällhus Tohatsu MFS 60 A, 4-takt Nr 9 i bild
    Art nr. 3UR-10100-0
    3 253,80 SEK
  • Insugsventil, 32 mm, Tohatsu MFS 40 A - MFS 50 A samt MFS 75 A - MFS 140 A S...
    Art nr. 3KY-07901-0
    655,14 SEK
  • Avgasventil, 28 mm, Tohatsu MFS 40 A - MFS 60 A samt MFS 75 A - MFS 140 A Se...
    Art nr. 3KY-07902-0
    968,48 SEK
  • Insugsventil Tohatsu MFS 60 A Se sprängskiss för rätt del, 6 st. åtgår per m...
    Art nr. 3UR-07901-0
    736,21 SEK
  • Kolvringasats, standarddimension, till en kolv, Tohatsu MFS 9,9 C + D - MFS 2...
    Art nr. 3FS-87123-0
    595,99 SEK
  • Lock till vattentrycksventil, sitter i adaptorplatta, Tohatsu MFS 75 A - MFS ...
    Art nr. 3SS-65248-0
    329,54 SEK
Totalt 262 poster
Sida 5 av 8
1 2 3 4 5 6 7 8