- Hem »
- Reservdelar
- » Bränsle förgasare/pumpar
- » Tohatsu
- » Bränslepump högtryck Tohatsu
Beskrivning
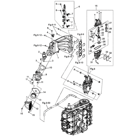
Högtryckspump bränsle Tohatsu MFS 40 A - MFS 60 A, 4-takt
Nr 20 i bild.
Specifikationer
Omdöme
Lämna ett omdöme
Omdöme (0)
Dela
Blogga om
Dokument
Andra produkter från samma kategori
-
Låspinne flottör i vapor Tohatsu MFS 40 A - MFS 60 A, 4-takt Nr 18 i bildArt nr. 3KY-03232-0213,85 SEK
-
Förgasarpackning mot insug Tohatsu MFS 9,9 C + D - MFS 20 C + D samt packn...Art nr. 3BJ-02011-063,10 SEK
-
Backventil, check valve, Tohatsu M 4 C - M 9,8 B, 2-takt Nr 20 i bild 2, 2 å...Art nr. 369-03305-0115,69 SEK
-
Justerskruv förgasare Tohatsu M 5 B hk, 102 cc 2-takt Nr 30 i bild 2 Samma...Art nr. 3B2-03266-0157,76 SEK