- Hem »
- Reservdelar
- » Växelhusdelar
- » Tohatsu
- » Fjäder Tohatsu
Beskrivning
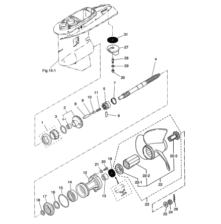
Fjäder drivaxel Tohatsu M 25 C - M 30 A, 2-takt samt MFS 25 A+B+C - MFS 30 A+B+C, 4-takt
Nr 41 i bild 2
Samma som Mercury art 8126454
Specifikationer
Omdöme
Lämna ett omdöme
Omdöme (0)
Dela
Blogga om
Dokument
Andra produkter från samma kategori
-
Shims växelhus Tohatsu M 9,9 B+C+D - M 5 B+C+D - M 18 C+D+E, M 25 C - M 30 A,...Art nr. 346-64081-087,65 SEK
-
Shims propelleraxel Tohatsu M 60 C - M 140 A, 2-takt, MD 70 B - MD 115 A, TLD...Art nr. 3B7-64037-035,06 SEK
-
Drivaxel, lång, Tohatsu M 25 C - M 30 A, 2-takt samt MFS 25 - MFS 30 hk, 492...Art nr. 346-64302-54 443,58 SEK
-
Pinjongdrev Tohatsu MFS 40 A - MFS 60 A, 4-takt Nr 20 i bildArt nr. 3KY-64020-01 623,61 SEK