- Hem »
- Reservdelar
- » Powertrim/rigg
- » Tohatsu
- » Trimoljeplugg Tohatsu
Beskrivning
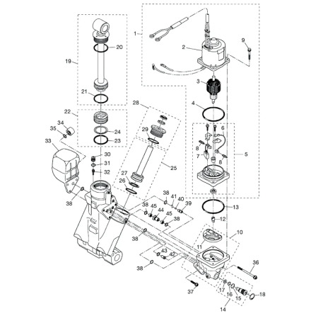
Påfyllningsplugg powertrim Tohatsu MFS 9,9 C + D + E - MFS 20 C + D + E, 4-takt
Nr 1 i bild, inkl o-ring 3B7-77169-0
Samma som Mercury art 896299A01
Specifikationer
Omdöme
Lämna ett omdöme
Omdöme (0)
Dela
Blogga om
Dokument
Andra produkter från samma kategori
-
O-ring tätning påfyllningsplugg art 3R0-77168 Samma som Mercury art 898101129Art nr. 3R0-77169-091,15 SEK
-
Slangklämma Tohatsu, passar flera modeller, ¤ 17,8 mm Se sprängskiss för rät...Art nr. 3T1-07737-137,21 SEK
-
Free piston/end trimkolv Tohatsu flera 2-takt, 4-takt och TLDI Nr 22 i bild,...Art nr. 3B7-77377-1797,56 SEK
-
Bakre bärhandtag Tohatsu MFS 4 D - MFS 6 D, 4-takt Nr 61 i bildArt nr. 3WL-61199-0740,60 SEK