- Hem »
- Motortillbehör
- » Reglage
- » Tohatsu
- » Tändningslås Tohatsu
Beskrivning
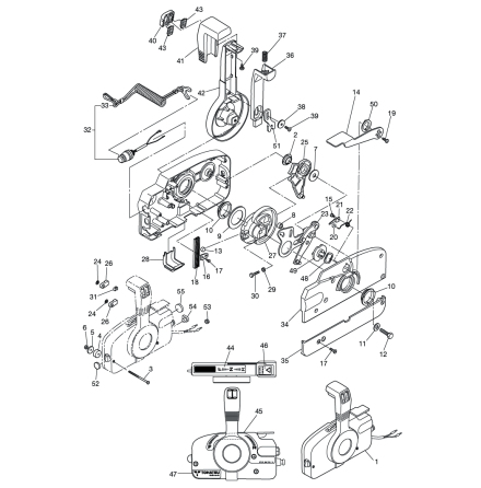
Tändningslås vissa Tohatsu-modeller, rorkult och reglage, 4-takt och TLDI
Se sprängskiss för rätt del.
Passar RC 12 reglagen
Specifikationer
Omdöme
Lämna ett omdöme
Omdöme (0)
Dela
Blogga om
Dokument
Andra produkter från samma kategori
-
Sats för rattstyrning Tohatsu MFS 40 A - MFS 60 A, 4-takt Nr 1,2,3 och 4 i b...Art nr. 3KY-83880-01 489,51 SEK
-
Reglagesats Tohatsu MFS 4 B - MFS 6 B, 4-takt För att bygga om från rorkult ...Art nr. 3AS-83880-02 728,79 SEK
-
Roller i reglage Tohatsu, flera modeller Se sprängskiss för rätt del Nr 13 ...Art nr. 353-84388-031,01 SEK
-
Gummiskydd för trimknapp 3A3-72560-0 Nr 7 i bild Samma som Mercury art 802995Art nr. 3A3-72591-044,65 SEK