- Hem »
- Motortillbehör
- » Reglage
- » Tohatsu
- » Trimknapp Tohatsu
Beskrivning
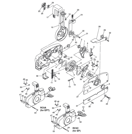
Trimknapp sidoreglage Tohatsu RC 12 mfl, dvs nyare reglage
Se sprängskiss för rätt del.
Nr 10 i bild 2
Samma som Mercury art 8M0151891
Specifikationer
Omdöme
Lämna ett omdöme
Omdöme (0)
Dela
Blogga om
Dokument
Andra produkter från samma kategori
-
Reglagesats Tohatsu MFS 4 B - MFS 6 B, 4-takt För att bygga om från rorkult ...Art nr. 3AS-83880-02 728,79 SEK
-
Multitiller, rorkult, Tohatsu MFS 25 D - MFS 30 D, 500 cc 4-takt Vit modell ...Art nr. 3VVW63000-04 000,00 SEK
-
Kabelskydd Tohatsureglage, RC 5 Se sprängskiss för rätt del Nr 32 i bild 2...Art nr. 3A3-84429-038,45 SEK
-
Friktionsarm i reglage Tohatsu, flera modeller Se sprängskiss för rätt del ...Art nr. 3A3-84428-071,94 SEK