Mercury

Mercury

Här hittar du powertrimdelar till din Mercury. 

Se parts katalog  HÄR  för rätt del.

Läs mer
  • Ventilsats F 80 - F 115 Pro XS 2,1 liter samt F 30 - F 40 EFI 747 cc 4-takt, ...
    Art nr. 8M0090404
    2 464,74 SEK
  • Frukionsband rigg F 4 - F 6 hk  4-takt (Tohatsu)  Samma som Tohatsu art 3GR-...
    Art nr. 8M0124744
    430,60 SEK
  • Vingmutter för friktionsband art 8M0124744, passar flera F 4 - F 6 hk, 4-takt...
    Art nr. 883302
    41,24 SEK
  • Friktionsskruv rigg 2,5 - 3,5 hk 2-takt 87,5 cc  samt 4 - 5 hk 2-takt 102 cc ...
    Art nr. 8M0155324
    32,55 SEK
  • Riggpinne Mercury 2,5 - 3,3 hk  2-takt samt F 2,5 - F 3,5 hk  4-takt, Tohatsu...
    Art nr. 8150921
    60,83 SEK
  • Riggpinne F 9,9 - F 20 hk  4-takt 351 cc, Tohatsumodell Samma som Tohatsu ar...
    Art nr. 898103101
    416,16 SEK
  • Riggpinne Mercury  4 - 18 hk, 2-takt samt F 4 - F 6 hk, 4-takt, Tohatsumodell...
    Art nr. 16198004
    254,03 SEK
  • Fjäder riggpinne art 8150921 och 16198004 Ers art 8150931 Samma som Tohatsu...
    Art nr. 815093003
    24,74 SEK
  • Riggpinne  25 - 30 hk 430 cc, 2-takt samt F 25 - F 30  4-takt, 492 cc, 500 cc...
    Art nr. 898101207
    293,79 SEK
  • Fjäder för riggpinne art 8M0186833, 898101207 och 804041 Samma som Tohatsu a...
    Art nr. 8126455
    34,31 SEK
  • Tätning för styrwirw Mercury, flera modeller 8 - 50 hk   (Tohatsu)  -  se spr...
    Art nr. 853825
    24,75 SEK
  • Styrwiretätning Mercury flera modeller 2-takt och 4-takt. Se sprängskiss för ...
    Art nr. 19624A1
    75,74 SEK
  • Fettnippel Mercury, flera modeller 2-takt och 4-takt  Se sprängskiss för rät...
    Art nr. 8M0169588
    65,88 SEK
  • Fettnippel Mercury, flera modeller 2-takt och 4-takt. Se sprängskiss för rät...
    Art nr. 8M0169589
    49,83 SEK
  • Membran avgassida rigg Mercury Optimax DFI  200 - 300 hk,  3 liter samt flera...
    Art nr. 648771
    85,55 SEK
  • Packning til membran Mercury art 648771, avgassida rigg  Mercury DFI 3 liter ...
    Art nr. 88907003
    32,74 SEK
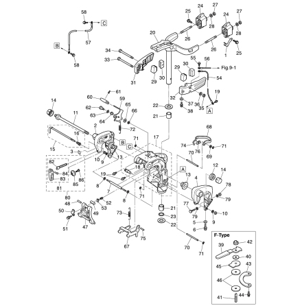
  • Manuell releaseventil powertrim F 10 - F 20, 4-takt 351 cc och F 9,9 EFI - MF...
    Art nr. 813442A05
    1 636,38 SEK
  • Tätning innanför manuella ventilen på trim, F 10 - F 20 hk, 333 cc och 351 cc...
    Art nr. 898101245
    620,86 SEK
  • Tätning o-ring, F 8 - F 30 hk, 4-takt Tohatsumodeller Stora o-ringen på manu...
    Art nr. 812641003
    49,78 SEK
  • Tätning o-ring, F 8 - F 30 hk, 4-takt Tohatsumodeller Lilla o-ringen på manu...
    Art nr. 16131013
    56,25 SEK
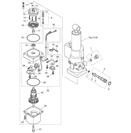
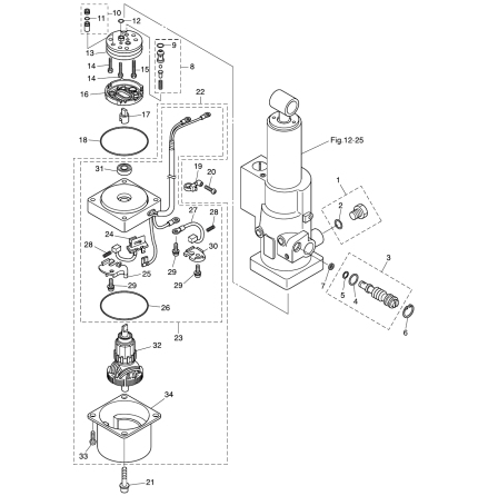
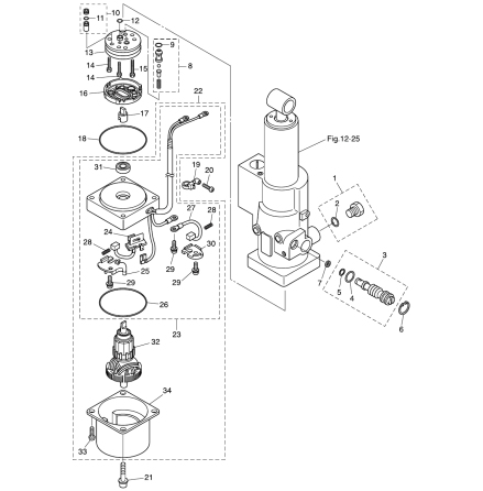
  • Packning avgas/tomgångsbehållare F 8 - F 9,9 hk, 4-takt  209 cc , Tohatsumode...
    Art nr. 895148
    83,20 SEK
  • Packning oljelock Mercury F 25 - F 30 hk, 4-takt Tohatsumodell. Nr 8 i bild....
    Art nr. 854617001
    48,89 SEK
  • Packning, yttre, för tomgångs avgasbehållare Mercury F 25 - F 30 hk, 526 cc, ...
    Art nr. 8M0099564
    34,16 SEK
  • Packning, inre, för tomgångs avgasbehållare Mercury F 25 - F 30 hk, 526 cc, 4...
    Art nr. 895148001
    67,89 SEK
  • Packning avgasbehållare Mercury F 10 - F 20 hk, 4-takt 351 cc Tohatsumodell ...
    Art nr. 898101970
    122,96 SEK
  • Packning avgasbehållare Mercury F 15 Sea Pro  328 cc, 4-takt  Tohatsumodell ...
    Art nr. 854617002
    209,70 SEK
  • Bygelskruv Mercury vissa modeller F 8 EFI - F 30 hk, 4-takt, Tohatsu  med elt...
    Art nr. 8M0176080
    871,50 SEK
  • Upphängningsbygel Mercury 4 -5 hk, 2-takt 102 cc samt 6 - 9,8 hk, 2-takt 169 ...
    Art nr. 96231
    462,55 SEK
  • Upphängningsbygel Mercury 4 -5 hk, 2-takt 102 cc samt 6 - 9,8 hk, 2-takt 169 ...
    Art nr. 9622T6
    514,24 SEK
  • Upptippningsspärr Mercury 4 - 5 hk, 2-takt 102 cc, 6 - 9,8 hk, 2-takt 169 cc ...
    Art nr. 8M0045584
    287,01 SEK
  • Fjäder upptippningsspärr Mercury 4 - 5 hk, 2-takt 102 cc, 6 - 9,8 hk, 2-takt ...
    Art nr. 16212
    108,39 SEK
  • Backspärr Mercury  F 4 - F 6 hk, 123 cc 4-takt. Se alltid sprängskiss för rä...
    Art nr. 162133
    297,33 SEK
  • Backspärr Mercury 4 - 5 hk, 2-takt 102 cc Tohatsumodell Samma som Tohatsu ar...
    Art nr. 16213
    200,13 SEK
  • Fjäder backspärr Mercury 4 - 5 hk, 2-takt 102 cc samt F 4 - F 6 hk, 4-takt 12...
    Art nr. 16215
    26,21 SEK
  • Fjäder backspärr Mercury 4 - 5 hk, 2-takt 102 cc samt F 4 - F 6 hk, 4-takt 12...
    Art nr. 16216
    25,78 SEK
  • Bult underkåpa Mercury F 10 EFI - F 20 EFI, 333 cc samt F 25 - F 30 hk, 500 c...
    Art nr. 8M0137380
    22,83 SEK
Totalt 704 poster
Sida 2 av 20
1 2 3 4 5 6 7 8 9 10 11